GM Service Manual Online
For 1990-2009 cars only

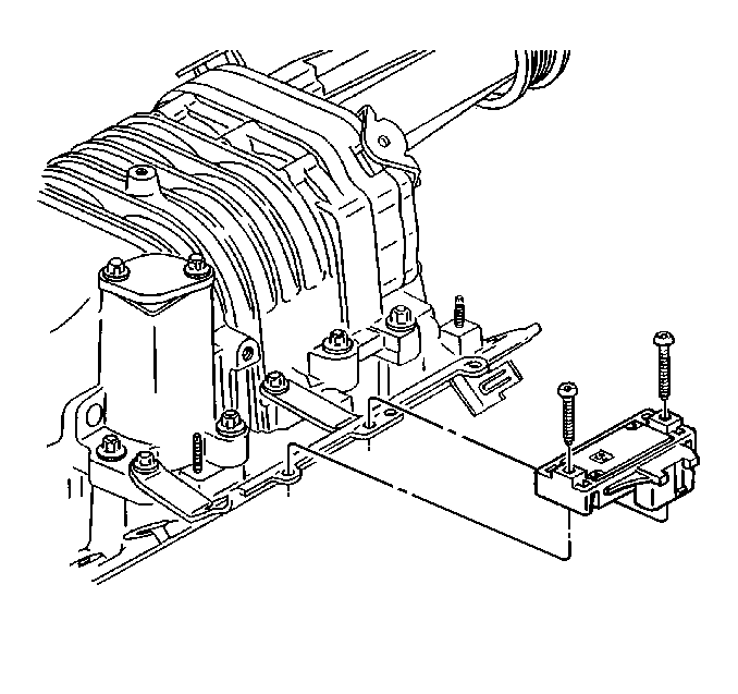
Manifold Absolute Pressure Sensor Replacement L67

Removal Procedure

  1. Remove the fuel injector sight shield. Refer to Fuel Injector Sight Shield Replacement in Engine Mechanical 3.8L.
  2. Disconnect the MAP sensor electrical connector and the vacuum hose.

  3. Object Number: 12345  Size: SH
  4. Remove the manifold absolute pressure (MAP) sensor screws.
  5. Remove the MAP sensor.

Installation Procedure

  1. Install the MAP sensor.
  2. Notice: Use the correct fastener in the correct location. Replacement fasteners must be the correct part number for that application. Fasteners requiring replacement or fasteners requiring the use of thread locking compound or sealant are identified in the service procedure. Do not use paints, lubricants, or corrosion inhibitors on fasteners or fastener joint surfaces unless specified. These coatings affect fastener torque and joint clamping force and may damage the fastener. Use the correct tightening sequence and specifications when installing fasteners in order to avoid damage to parts and systems.

  3. Install the MAP sensor screws.
  4. Tighten
    Tighten the screws to 5 N·m (44 lb in).


    Object Number: 12345  Size: SH
  5. Connect the MAP sensor electrical connector and the vacuum hose.
  6. Install the fuel injector sight shield. Refer to Fuel Injector Sight Shield Replacement in Engine Mechanical 3.8L.

Manifold Absolute Pressure Sensor Replacement L36

On the L36, the manifold absolute pressure (MAP) sensor is mounted to the positive crankcase ventilation (PCV) valve cover.

Removal Procedure

  1. Remove the fuel injector sight shield. Refer to Fuel Injector Sight Shield Replacement in Engine Mechanical 3.8L.
  2. Disconnect the MAP sensor electrical connector.

  3. Object Number: 12346  Size: SH
  4. Carefully release the locking tabs holding the MAP (1) sensor to the PCV valve cover (2) just enough to remove the MAP sensor.
  5. Pull the MAP sensor straight out of PCV valve cover.

Installation Procedure


    Object Number: 12346  Size: SH
  1. Ensure that the seal is installed on the MAP sensor and that the seal is not damaged.
  2. Position and install the MAP sensor (1) to the PCV valve cover (2). Ensure that the locking tabs engage to hold the MAP sensor to the PCV valve cover.
  3. Connect the MAP sensor electrical connector.
  4. Install the fuel injector sight shield. Refer to Fuel Injector Sight Shield Replacement in Engine Mechanical 3.8L.