GM Service Manual Online
For 1990-2009 cars only

Throttle Body Assembly Replacement L67

Removal Procedure

Notice: Do not use solvent of any type when cleaning the gasket surfaces on the intake manifold and the throttle body assembly, as damage to the gasket surfaces and throttle body assembly may result.

Use care in cleaning the gasket surfaces on the intake manifold and the throttle body assembly, as sharp tools may damage the gasket surfaces.

  1. Remove the fuel injector sight shield. Refer to Fuel Injector Sight Shield Replacement in Engine Mechanical 3.8L.
  2. Partially drain the cooling system. Refer to Cooling System Draining and Filling in Engine Cooling.
  3. Remove the air cleaner intake duct. Refer to Air Cleaner Inlet Duct Replacement .

  4. Object Number: 155466  Size: SH
  5. Disconnect the idle air control (IAC) valve electrical connector.

  6. Object Number: 155464  Size: SH
  7. Disconnect the mass air flow (MAF) sensor electrical connector.

  8. Object Number: 178680  Size: SH
  9. Disconnect the throttle position (TP) sensor electrical connector.
  10. Remove the accelerator controls cable bracket. Refer to Accelerator Control Cable Bracket Replacement .

  11. Object Number: 180061  Size: SH
  12. Remove the vacuum line from the throttle body.

  13. Object Number: 510393  Size: SH
  14. Remove the nut (2) from the air injection pipe (1) if applicable.

  15. Object Number: 12267  Size: SH
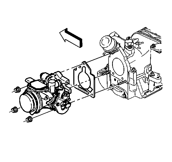
  16. Remove the throttle body nuts.
  17. Remove the throttle body assembly.
  18. Notice: Do not use solvent of any type when cleaning the gasket surfaces on the intake manifold and the throttle body assembly, as damage to the gasket surfaces and throttle body assembly may result.

    Use care in cleaning the gasket surfaces on the intake manifold and the throttle body assembly, as sharp tools may damage the gasket surfaces.

  19. Clean the throttle body gasket mating surfaces.

Installation Procedure


    Object Number: 12267  Size: SH
  1. Install the new gasket.
  2. Install the throttle body assembly.
  3. Notice: Refer to Fastener Notice in the Preface section.

  4. Install the throttle body nuts.
  5. Tighten
    Tighten the nuts to 10 N·m (89 lb in).

  6. Install the accelerator controls cable bracket. Refer to Accelerator Control Cable Bracket Replacement .
  7. Install the air injection pipe (1) and the nut (2) to the throttle body if applicable.
  8. Tighten
    Tighten the nut to 10 N·m (89 lb in).


    Object Number: 180061  Size: SH
  9. Install the vacuum line to the throttle body.

  10. Object Number: 155466  Size: SH
  11. Connect the IAC valve sensor electrical connector.

  12. Object Number: 155464  Size: SH
  13. Connect the MAF sensor electrical connector.

  14. Object Number: 178680  Size: SH
  15. Connect the TP sensor electrical connector.
  16. Install the air cleaner intake duct. Refer to Air Cleaner Inlet Duct Replacement .
  17. Fill the cooling system. Refer to Cooling System Draining and Filling in Engine Cooling.
  18. Install the fuel injector sight shield. Refer to Fuel Injector Sight Shield Replacement in Engine Mechanical 3.8L.

Throttle Body Assembly Replacement L36

Removal Procedure

  1. Partially drain the cooling system. Refer to Cooling System Draining and Filling in Engine Cooling.
  2. Remove the fuel injector sight shield. Refer to Fuel Injector Sight Shield Replacement in Engine Mechanical 3.8L.
  3. Remove the air cleaner intake duct. Refer to Air Cleaner Inlet Duct Replacement .

  4. Object Number: 155466  Size: SH
  5. Disconnect the idle air control (IAC) valve electrical connector.

  6. Object Number: 178680  Size: SH
  7. Disconnect the throttle position (TP) sensor electrical connector.

  8. Object Number: 155464  Size: SH
  9. Disconnect the mass air flow (MAF) sensor electrical connector.
  10. Remove the accelerator controls cable bracket. Refer to Accelerator Control Cable Bracket Replacement .

  11. Object Number: 179374  Size: SH
  12. Disconnect the electrical harness (2) retainer clip (1) from the accelerator controls cable bracket (3) if applicable.

  13. Object Number: 180061  Size: SH
  14. Remove the vacuum hoses from the throttle body.

  15. Object Number: 510393  Size: SH
  16. Remove the nut (2) from the air injection pipe (1) if applicable.

  17. Object Number: 12243  Size: SH
  18. Remove the throttle body support bracket bolts.
  19. Remove the throttle body support bracket.

  20. Object Number: 12270  Size: SH
  21. Remove the throttle body nuts.
  22. Remove the throttle body assembly.
  23. Notice: Do not use solvent of any type when cleaning the gasket surfaces on the intake manifold and the throttle body assembly, as damage to the gasket surfaces and throttle body assembly may result.

    Use care in cleaning the gasket surfaces on the intake manifold and the throttle body assembly, as sharp tools may damage the gasket surfaces.

  24. Clean the throttle body gasket mating surfaces.

Installation Procedure


    Object Number: 12270  Size: SH
  1. Install the new gasket.
  2. Install the throttle body assembly.
  3. Notice: Refer to Fastener Notice in the Preface section.

  4. Install the throttle body nuts.
  5. Tighten
    Tighten the nuts to 10 N·m (89 lb in).


    Object Number: 510497  Size: SH
  6. Install the throttle body support bracket.
  7. Install the throttle body support bracket bolts.
  8. Tighten
    Tighten the bolts to 16 N·m (12 lb ft).


    Object Number: 510393  Size: SH
  9. Install the air injection pipe (1) and the nut (2) if applicable.
  10. Tighten
    Tighten the nut to 10 N·m (89 lb in).


    Object Number: 180061  Size: SH
  11. Install the vacuum hoses to the throttle body.
  12. Install the accelerator controls cable bracket. Refer to Accelerator Control Cable Bracket Replacement .

  13. Object Number: 179374  Size: SH
  14. Connect the electrical harness (2) retainer clip (1) and harness to the accelerator controls bracket (3) if applicable.

  15. Object Number: 155464  Size: SH
  16. Connect the MAF sensor electrical connector.

  17. Object Number: 178680  Size: SH
  18. Connect the TP sensor electrical connector.

  19. Object Number: 155466  Size: SH
  20. Connect the IAC valve electrical connector.
  21. Install the air cleaner intake duct. Refer to Air Cleaner Inlet Duct Replacement .
  22. Install the fuel injector sight shield. Refer to Fuel Injector Sight Shield Replacement in Engine Mechanical 3.8L.
  23. Fill the cooling system. Refer to Cooling System Draining and Filling in Engine Cooling.