GM Service Manual Online
For 1990-2009 cars only
Figure 1:

Left Front of Engine Compartment


Object Number: 757024  Size: LF
(1)Secondary Air Injection (AIR) Pump
(2)Secondary Air Injection (AIR) Pump Connector
(3)Fog Lamp - LF Connector
(4)Secondary Air Injection (AIR) Pump Relay
Figure 2:

Lower Left Front of Engine -- RPO L36, L67


Object Number: 752798  Size: LF
(1)Battery Positive Cable
(2)Fusible Link
(3)G113
(4)Negative Battery Cable
(5)Starter
(6)Solenoid Start Terminal S
(7)Engine Oil Level Switch
(8)Knock Sensor (KS) Bank 1
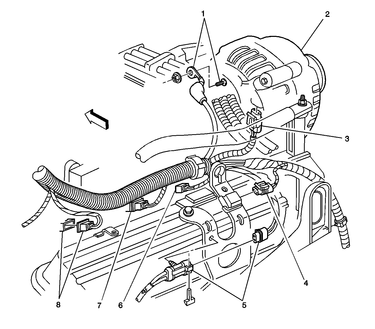
Figure 3:

Top Rear of Engine (RPO L36)


Object Number: 753215  Size: LF
(1)Positive Terminal of the Generator
(2)Generator
(3)Generator Connector
(4)Secondary Air Injection (AIR) Solenoid -- Connector
(5)Heated Oxygen Sensor (HO2S) Sensor 1, Connector
(6)Fuel Injector 2 -- Connector
(7)Fuel Injector 4
(8)Fuel Injector 6
Figure 4:

Lower Rear Side of Engine (w/RPO L36,L67)


Object Number: 305317  Size: LF
(1)Knock Sensor (KS) Bank 2
(2)Knock Sensor (KS) Bank 2 -- Wiring Harness
(3)C125
Figure 5:

Right Side of Engine (w/RPO L36,L67)


Object Number: 305313  Size: LF
(1)Camshaft Position (CMP) Sensor
(2)Ignition Control Module (ICM) Wiring Harness
Figure 6:

Right Front Side of Engine (w/RPO L36,L67)


Object Number: 305312  Size: LF
(1)C110
(2)Ignition Control Module (ICM) Wiring Harness
(3)Ignition Control Module (ICM)
(4)Crankshaft Position (CKP) Sensor
Figure 7:

Left Top of Engine -- MAF, TP, ECT Sensors and IAC Valve (w/RPO L36,L67)


Object Number: 305314  Size: LF
(1)Idle Air Control (IAC) Valve
(2)Mass Air Flow (MAF) Sensor
(3)Throttle Position (TP) Sensor
(4)Engine Coolant Temperature (ECT) Sensor
Figure 8:

Top Rear of Engine (RPO L67)


Object Number: 757025  Size: LF
(1)Positive Terminal of the Generator
(2)Generator
(3)Generator Connector
(4)Manifold Absolute Pressure (MAP) Sensor
(5)Fuel Injector 2 -- Connector
(6)Fuel Injector 4
(7)Fuel Injector 6
(8)Evaporative Emission (EVAP) Canister Purge Solenoid
Figure 9:

Left Rear of Vehicle


Object Number: 571274  Size: LF
(1)Evaporative Emission (EVAP) Canister Vent Solenoid Connector
(2)Evaporative Emission (EVAP) Canister Vent Solenoid
Figure 10:

Upper Left Rear Side of Engine (w/RPO L36,L67)


Object Number: 374691  Size: LF
(1)Exhaust Gas Recirculation (EGR) Valve
(2)Heated Oxygen Sensor (HO2S) Sensor 1
Figure 11:

Top Front Side of Engine -- RPO L67


Object Number: 752781  Size: LF
(1)Idle Air Control (IAC) Valve
(2)Throttle Position (TP) Sensor
(3)Mass Air Flow (MAF) Sensor Connector
(4)Intake Air Temperature (IAT) Sensor Connector
(5)Supercharger Boost Control Solenoid
(6)Fuel Injector 5
(7)Fuel Injector 3
(8)Fuel Injector 1
(9)C110
(10)C126
Figure 12:

Fuel Pump and Sender Assembly


Object Number: 50636  Size: SH
(1)Fuel Line Quick Connector
(2)Fuel Pump
(3)Base Plate
(4)Fuel Strainer
(5)Fuel Level Sensor
(6)Springs
(7)Fuel Tank Pressure (FTP) Sensor
Figure 13:

Vehicle Fuel Tank


Object Number: 374824  Size: LF
(1)C405
Figure 14:

Rear of Engine Below Center of Vehicle


Object Number: 305319  Size: LF
(1)Exhaust Heat Shield
(2)Catalytic Converter
(3)Heated Oxygen Sensor (HO2S) Sensor 2
Figure 15:

Left Top of Engine (w/RPO L36,L67)


Object Number: 757028  Size: LF
(1)Mass Air Flow (MAF) Sensor
(2)Intake Air Temperature (IAT) Sensor
(3)Throttle Position (TP) Sensor
(4)Idle Air Control (IAC) Valve
Figure 16:

Top Right of Engine -- RPO L36,L67


Object Number: 305310  Size: LF
(1)Ignition Coils
(2)Ignition Control Module (ICM)
(3)G111
(4)Ignition Control Module (ICM) Wiring Harness
Figure 17:

Powertrain Control Module (PCM)--LH Side of Engine Compartment


Object Number: 757035  Size: LF
(1)Air Cleaner/PCM Housing
(2)A/C Refrigerant Pressure Sensor
(3)Powertrain Control Module (PCM), C2
(4)Powertrain Control Module (PCM), C1
(5)Powertrain Control Module (PCM)
Figure 18:

Lower Right Rear of Engine -- RPO L36,L67


Object Number: 752786  Size: LF
(1)Engine Harness
(2)Engine Oil Pressure (EOP) Switch
(3)Vehicle Speed Sensor (VSS)
(4)C125