GM Service Manual Online
For 1990-2009 cars only

Caution: Avoid breathing fumes and swallowing EGR exhaust deposits when removing components for cleaning as bodily injury may result.


    Object Number: 12312  Size: MH
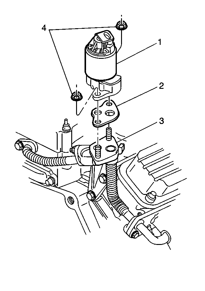
  1. Remove the exhaust gas recirculation (EGR) valve (1). Refer to Exhaust Gas Recirculation Valve Replacement .
  2. Depress the pintle several times using a pencil eraser or other suitable soft instrument. The pintle should move in and out smoothly. Replace the valve if the valve exhibits tendencies to stick.
  3. Try to rotate the EGR valve electrical connector housing. Repeat for the coil housing. Replace the valve if the valve exhibits any looseness.
  4. Inspect the EGR valve pintle and seat for deposits. Use a cloth or other suitable soft device to remove the deposits. Remove all loose particles. Replace the valve if the deposits are such that the pintle to base interface cannot be cleaned adequately to allow the pintle to seal against the seat. Damage to the powdered metal EGR valve base occurs if cleaned with solvents, sharp tools, wire brush or wheel, or sand blasting. Cleaning by these methods is not recommended.

  5. Object Number: 36667  Size: SH
  6. Remove the EGR pipes. Refer to Exhaust Gas Recirculation Inlet Pipe Replacement and Exhaust Gas Recirculation Outlet Pipe Replacement .
  7. Clean the passages with a wire brush. Remove all loose particles.
  8. Install the EGR pipes. Refer to Exhaust Gas Recirculation Inlet Pipe Replacement and Exhaust Gas Recirculation Outlet Pipe Replacement .
  9. Install the EGR valve. Refer to Exhaust Gas Recirculation Valve Replacement .