GM Service Manual Online
For 1990-2009 cars only

Fuel Injector Sight Shield Replacement L36

Removal Procedure

  1. Clean the area around the tube/oil fill cap before removing the tube/oil fill cap in order to prevent contaminants from falling into the valve rocker arm cover opening.

  2. Object Number: 370383  Size: SH
  3. Twist counterclockwise to unlock the tube/oil fill cap from the valve rocker arm cover.
  4. Lift the fuel injector sight shield up at the front and slide the tab out of the engine bracket.
  5. Replace the tube/oil fill cap in the valve rocker arm cover.

Installation Procedure


    Object Number: 370383  Size: SH
  1. Remove the tube/oil fill cap from the valve rocker arm cover.
  2. Insert the tab of the fuel injector sight shield under the engine bracket.
  3. Place the hole of the fuel injector sight shield onto the oil fill neck of the valve rocker arm cover.
  4. Install the tube/oil fill cap into the valve rocker arm cover and twist clockwise in order to lock the detent on the tube into the notch in the cover.

Fuel Injector Sight Shield Replacement L67

Removal Procedure

  1. Clean the area around the tube/oil fill cap before removing the tube/oil fill cap in order to prevent contaminants from falling into the valve rocker arm cover opening.

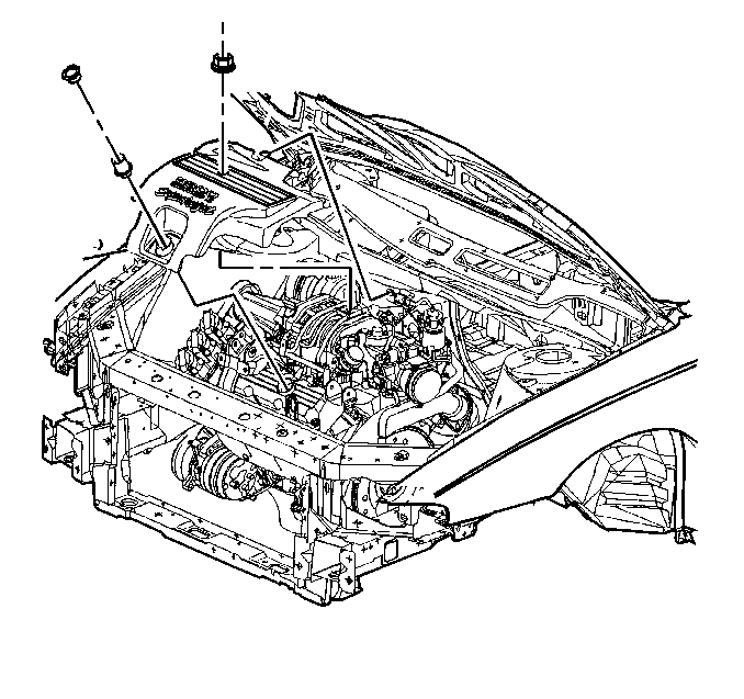
  2. Object Number: 370384  Size: SH
  3. Twist counter-clockwise to unlock the tube/oil fill cap from the valve rocker arm cover.
  4. Remove the upper intake manifold cover nut holding the fuel injector sight shield to the fuel injector rail brace stud.
  5. Lift the fuel injector sight shield up at the front and slide the tab out of the engine bracket.
  6. Replace the tube/oil fill cap in the valve rocker arm cover.

Installation Procedure


    Object Number: 370384  Size: SH
  1. Remove the tube/oil fill cap from the engine.
  2. Insert the tab of the fuel injector sight shield under the engine bracket.
  3. Place the hole of the fuel injector sight shield onto the oil fill neck of the valve rocker arm cover.
  4. Install the tube/oil fill cap into the valve rocker arm cover and twist clockwise in order to lock the detent on the tube into the notch in the cover.
  5. Notice: Use the correct fastener in the correct location. Replacement fasteners must be the correct part number for that application. Fasteners requiring replacement or fasteners requiring the use of thread locking compound or sealant are identified in the service procedure. Do not use paints, lubricants, or corrosion inhibitors on fasteners or fastener joint surfaces unless specified. These coatings affect fastener torque and joint clamping force and may damage the fastener. Use the correct tightening sequence and specifications when installing fasteners in order to avoid damage to parts and systems.

  6. Install the upper intake manifold cover nut holding the fuel injector sight shield to the fuel injector rail brace stud.
  7. Tighten
    Tighten the upper intake manifold cover nut to 3 N·m (27 lb in).