GM Service Manual Online
For 1990-2009 cars only
Makes
🢒
Pontiac
🢒
2001
🢒
Grand Prix
🢒
Brakes
🢒
Hydraulic Brakes
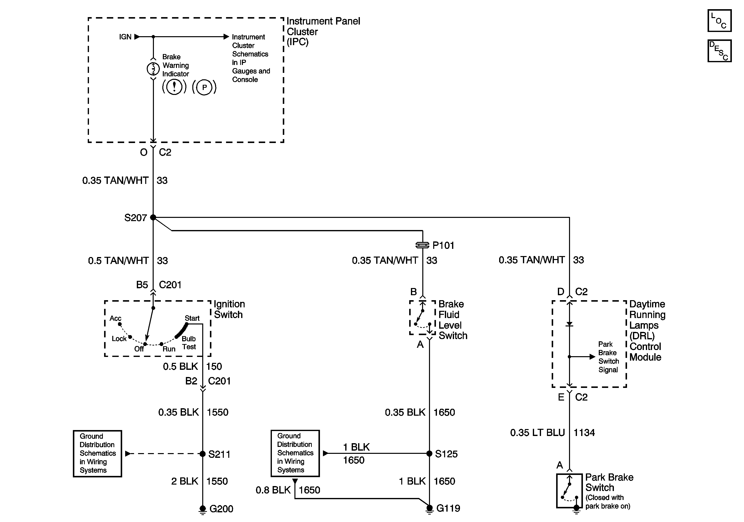
🢒 Brake Warning System Schematics
Indicators
G200, S211, S285
G119
Daytime Running Lamps (DRL) Control Module Inputs
Master Electrical Component List