GM Service Manual Online
For 1990-2009 cars only
Makes
🢒
Pontiac
🢒
2001
🢒
Grand Prix
🢒
Transmission/Transaxle
🢒
Automatic Transaxle - 4T65-E
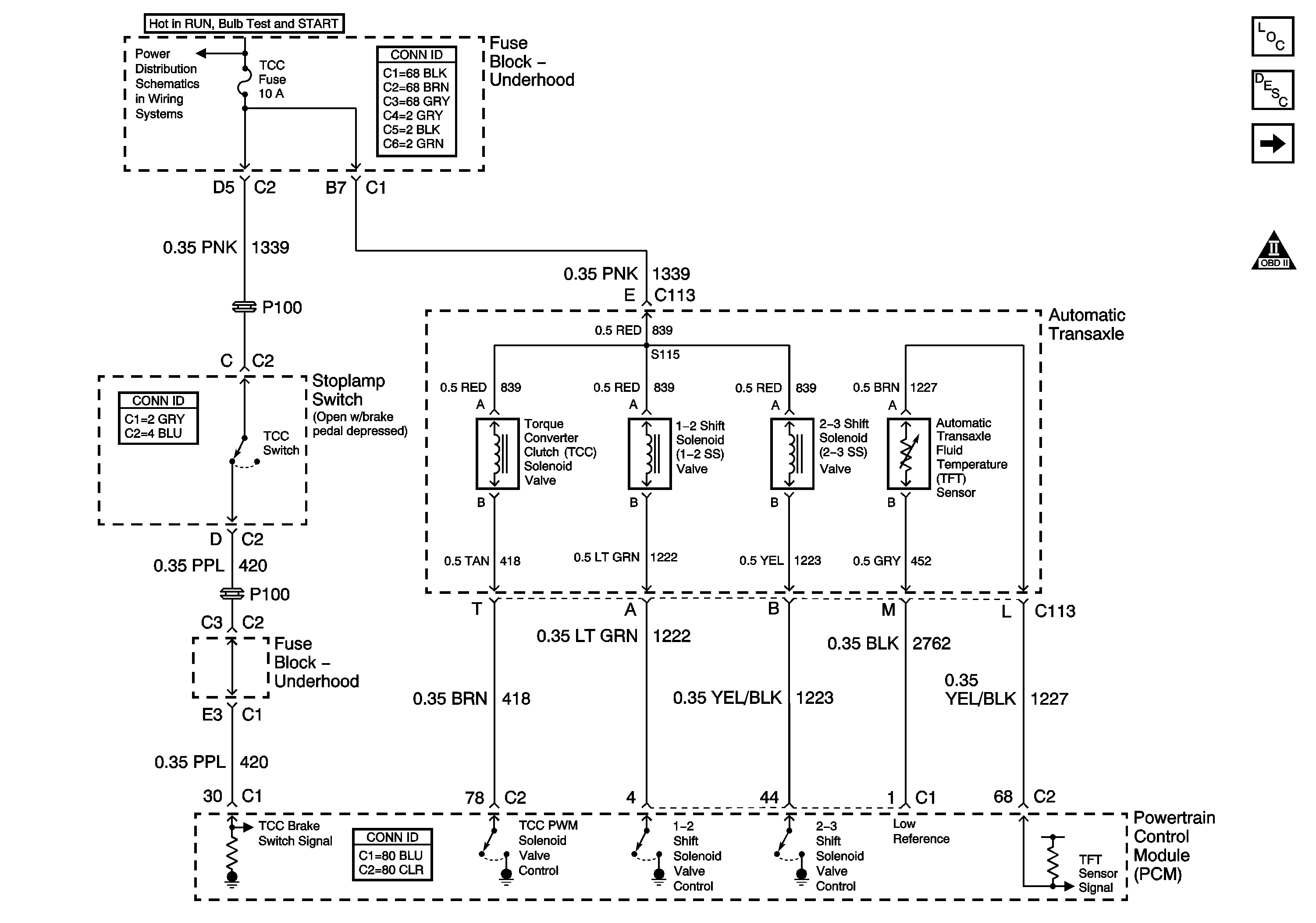
🢒 Automatic Transmission Controls Schematics
Figure
1:
TCC, Shift Solenoids, and TFT Sensor
BATT-MAIN 2, R DEFOG, H SEAT/LUM, PWR LOCK, RADIO AMP Fuses, and SEAT Circuit Breaker
Master Electrical Component List
A/T Controls 2 of 3
OBD II Symbol Description Notice
Figure
2:
A/T Fluid Pressure Manual Valve Position Switch, Pressure Control Solenoid Valve, VSS, and ISS Sensors
Master Electrical Component List
A/T Controls 3 of 3
A/T Controls 1 of 3
Engine Controls Schematic Icons
Engine Controls Schematic Icons
Engine Controls Schematic Icons
Figure
3:
PRNDL,and Park/Neutral Position (PNP) Switch
Master Electrical Component List
A/T Controls 2 of 3
Engine Controls Schematic Icons
IGN MAIN 1, BTSI, DRL, CANISTER VENT, PWR DROP, TURN, SIR Fuses
Power and Ground
G200, S211, S285
Headlamp Switch and Instrument Panel Lighting
G117