GM Service Manual Online
For 1990-2009 cars only
Makes
🢒
Pontiac
🢒
2001
🢒
Grand Prix
🢒
Steering
🢒
Variable Effort Steering
🢒 Steering Assist Component Views
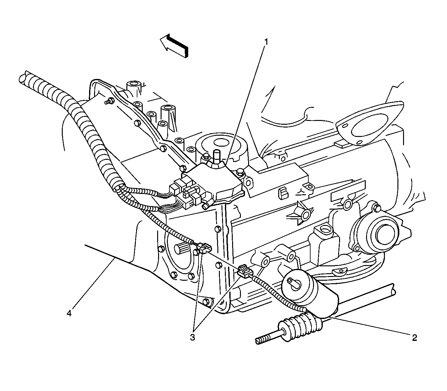
Top of Automatic Transaxle -- LH Side of Engine Compartment
(1)
Park/Neutral Position (PNP) Switch
(2)
Steering Gear Assembly
(3)
Magnasteer Actuator Harness Connector
(4)
Automatic Transaxle