GM Service Manual Online
For 1990-2009 cars only
Figure 1:

Upper Left Side of Engine Compartment Bulkhead


Object Number: 757564  Size: LF
(1)Cruise Control Module (CCM), Connector
(2)Cruise Control Module (CCM)
(3)Electronic Brake Control Module (EBCM) C1
(4)Electronic Brake Control Module (EBCM)
(5)Brake Fluid Level Switch
(6)Brake Fluid Level Switch, Connector
(7)P103
Figure 2:

Left Side of Engine Radiator


Object Number: 587997  Size: LF
(1)Coolant Level Module
Figure 3:

Lower Left Front of Engine -- RPO L36, L67


Object Number: 752798  Size: LF
(1)Battery Positive Cable
(2)Fusible Link
(3)G113
(4)Negative Battery Cable
(5)Starter
(6)Solenoid Start Terminal S
(7)Engine Oil Level Switch
(8)Knock Sensor (KS) Bank 1
Figure 4:

Lower Right Rear of Engine -- RPO L36,L67


Object Number: 752786  Size: LF
(1)Engine Harness
(2)Engine Oil Pressure (EOP) Switch
(3)Vehicle Speed Sensor (VSS)
(4)C125
Figure 5:

Center of Oil Pan


Object Number: 327463  Size: SF
(1)Engine Oil Level Indicator Switch
(2)Engine Oil Pan
Figure 6:

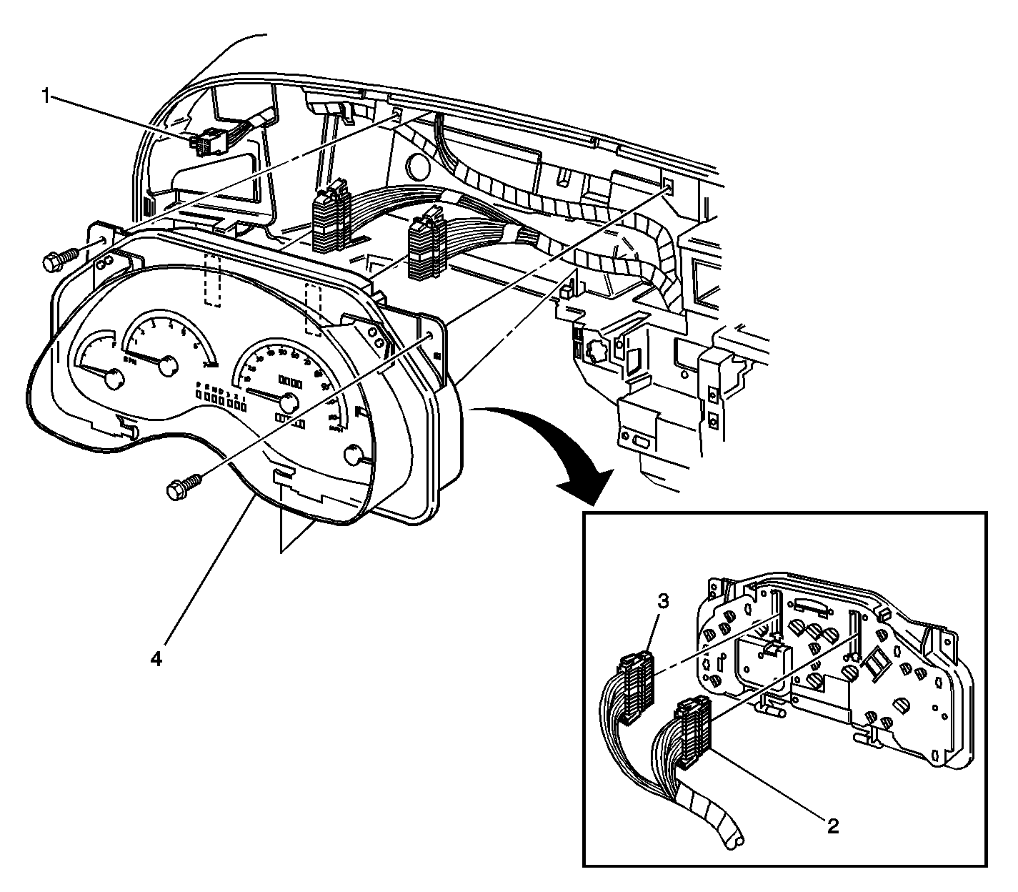
Instrument Panel Cluster (IPC)-- Left Side of Instrument Panel


Object Number: 787626  Size: LF
(1)Fog Lamp Switch
(2)Instrument Panel Cluster (IPC), C2
(3)Instrument Panel Cluster (IPC), C1
(4)Instrument Panel Cluster (IPC)
Figure 7:

Top Left Side of I/P


Object Number: 588914  Size: LF
(1)Head up Display (HUD)
Figure 8:

Center of I/P


Object Number: 587883  Size: LF
(1)Driver Information Center (DIC)
(2)Driver Information Center (DIC), Connector
Figure 9:

Steering Column


Object Number: 714121  Size: LF
(1)Multifunction Turn Signal Lever
(2)Electric Park Lock
(3)Electric Park Lock Connector
(4)Ignition Key Alarm Switch
(5)Ignition Switch
(6)Steering Column