GM Service Manual Online
For 1990-2009 cars only
Figure 1:

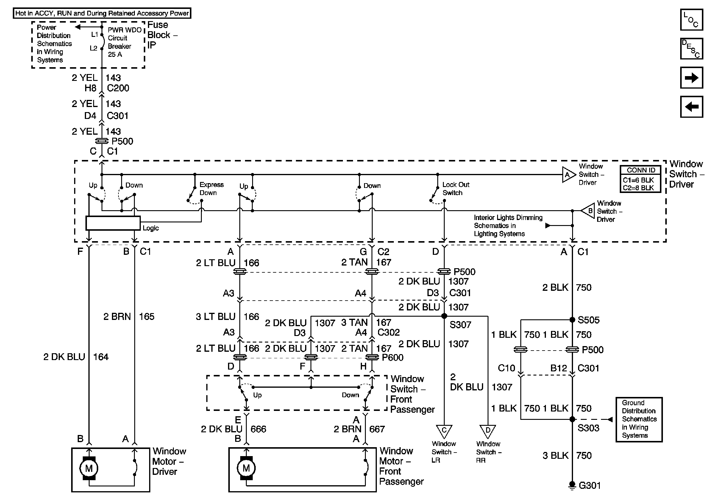
Power Windows 2--Door


Object Number: 667964  Size: FS
IGN-MAIN 2, RADIO, SUNROOF, STR WHL CTRL, PWR WDO, WIPER, MALL, MALL PGM Fuses
Door Switch Lighting
G301
Master Electrical Component List
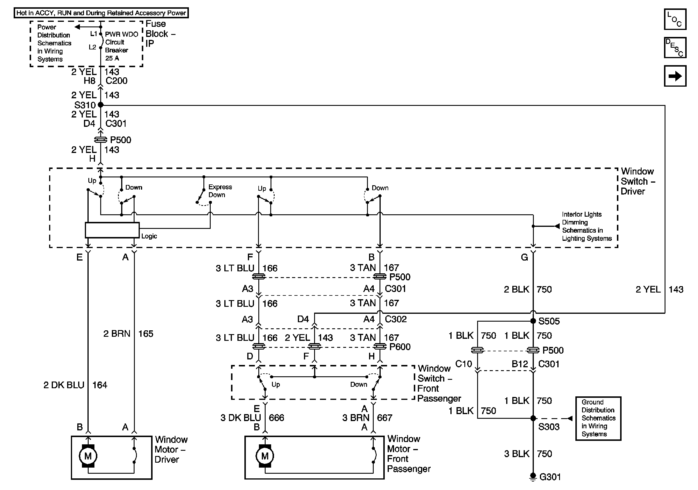
Power Windows Front 4 Door
Figure 2:

Power Windows Front 4--Door


Object Number: 667970  Size: FS
IGN-MAIN 2, RADIO, SUNROOF, STR WHL CTRL, PWR WDO, WIPER, MALL, MALL PGM Fuses
Door Switch Lighting
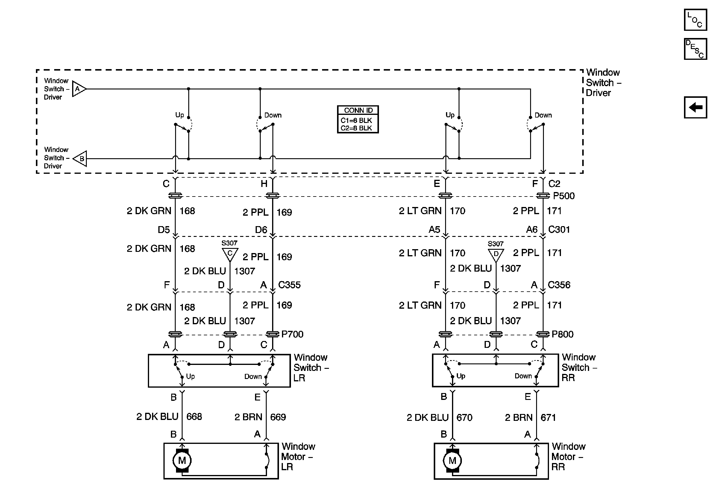
Power Windows Rear 4 Door
Power Windows Rear 4 Door
Power Windows Rear 4 Door
Power Windows Rear 4 Door
G301
Master Electrical Component List
Power Windows Rear 4 Door
Power Windows 2 Door
Figure 3:

Power Windows Rear 4--Door


Object Number: 667975  Size: FS
Power Windows Front 4 Door
Power Windows Front 4 Door
Power Windows Front 4 Door
Power Windows Front 4 Door
Master Electrical Component List
Power Windows Front 4 Door