GM Service Manual Online
For 1990-2009 cars only

Removal Procedure


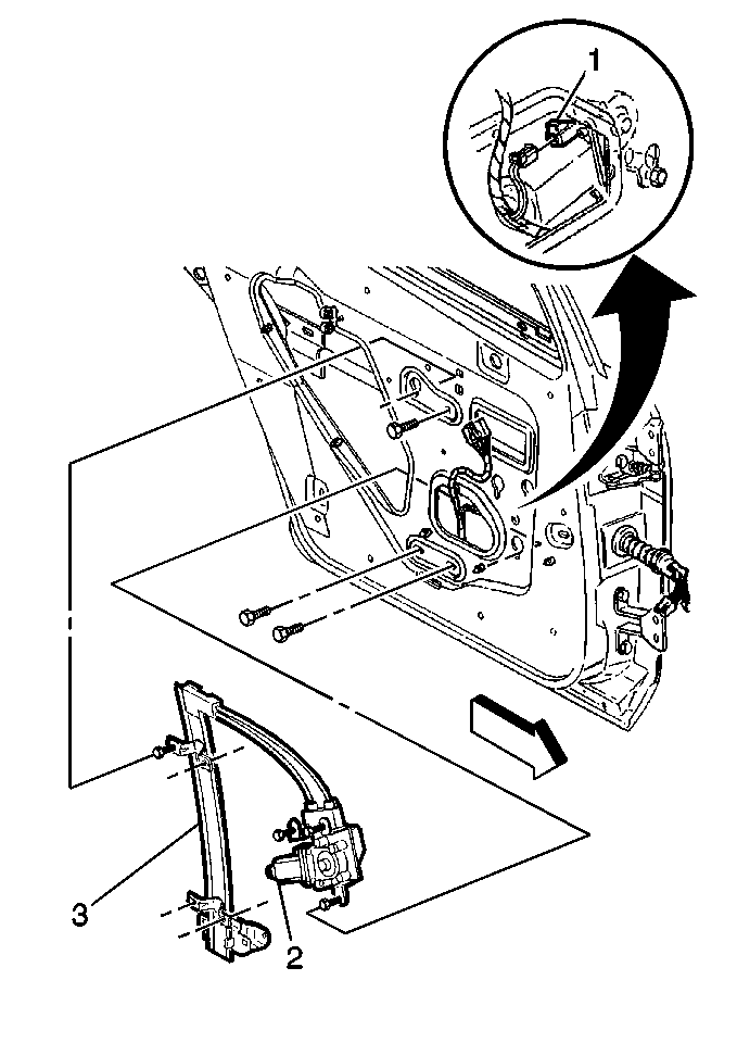
    Object Number: 316137  Size: MH
  1. Remove the rear door trim panel. Refer to Rear Side Door Trim Panel Replacement .
  2. Remove the rear door water deflector. Refer to Rear Side Door Water Deflector Replacement .
  3. Remove the rear door inner energy absorber pad. Refer to Rear Side Door Inner Panel Lower Energy Absorber Replacement .
  4. Raise the rear door window far enough in order to gain access through the inner door to the window to regulator bolts.
  5. Remove the bolts from the rear door window to regulator.
  6. Raise the rear door window to the full up position.
  7. Tape the rear door window in the full up position.
  8. Disconnect the electrical connector (2).
  9. Loosen the bolts on the regulator motor. Lift the motor to free the retaining bolts from the slots.

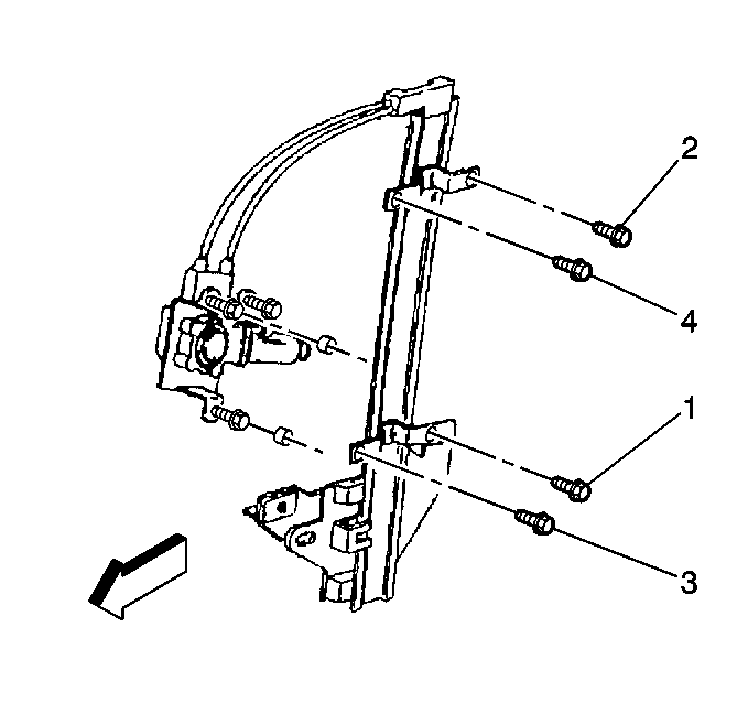
  10. Object Number: 316144  Size: SH
  11. Remove the bolts from the rear door window regulator (1,2,3,4).
  12. Remove the rear door window regulator from the rear door.

Installation Procedure


    Object Number: 316137  Size: MH
  1. Install the rear door window regulator (3) and motor (2) to the door.

  2. Object Number: 316144  Size: SH

    Notice: Use the correct fastener in the correct location. Replacement fasteners must be the correct part number for that application. Fasteners requiring replacement or fasteners requiring the use of thread locking compound or sealant are identified in the service procedure. Do not use paints, lubricants, or corrosion inhibitors on fasteners or fastener joint surfaces unless specified. These coatings affect fastener torque and joint clamping force and may damage the fastener. Use the correct tightening sequence and specifications when installing fasteners in order to avoid damage to parts and systems.

    Important: In order to ensure proper orientation of the window regulator to the door, tighten the window regulator bolts in the specified sequence.

  3. Install the regulator mounting bolts.
  4. Tighten
    Tighten the rear door window regulator bolts to 10 N·m (89 lb in).

  5. Connect the electrical connector.
  6. Remove the tape from the rear door window.
  7. Lower the rear door window far enough in order to gain access through the inner door panel to the bolts.
  8. Install the bolts to the rear door window regulator.
  9. Tighten
    Tighten the window regulator bolts to 10 N·m (89 lb in).

  10. Install the rear door inner energy absorber pad. Refer to Rear Side Door Inner Panel Lower Energy Absorber Replacement .
  11. Install the rear door water deflector. Refer to Rear Side Door Water Deflector Replacement .
  12. Install the rear door trim panel. Refer to Rear Side Door Trim Panel Replacement .