GM Service Manual Online
For 1990-2009 cars only

Removal Procedure


    Object Number: 315736  Size: MH
  1. Position the front door window in the full up position.
  2. Remove the front door trim panel. Refer to Front Side Door Trim Panel Replacement .
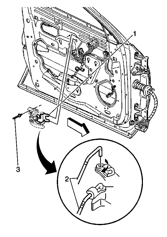
  3. Remove the front door inside handle to front door rivet.
  4. 3.1. Use a center punch to drive the front door inside handle mounting rivet mandrel into the rivet head to create a pilot hole.
    3.2. Use a 6.35 mm (1/4 in) drill bit to drill out the rivet.
  5. Open the inside door handle clips in order to remove the handle rods (2) from the inside door handle.
  6. Remove the front door inside door handle.

Installation Procedure


    Object Number: 315736  Size: MH
  1. Position the front door handle tabs (1) in the front door.
  2. Install the clips in order to install the lock rods (2) to the front door inside handle.
  3. Install the rivet (3).
  4. Install the front door trim panel. Refer to Front Side Door Trim Panel Replacement .
  5. Close the front door window.