GM Service Manual Online
For 1990-2009 cars only

Removal Procedure


    Object Number: 295105  Size: MH
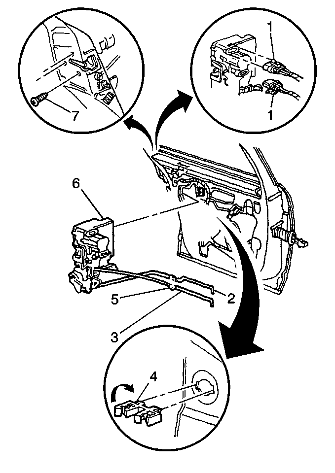
  1. Remove the rear door trim panel. Refer to Rear Side Door Trim Panel Replacement .
  2. Remove the rear door water deflector. Refer to Rear Side Door Water Deflector Replacement .
  3. Remove the rear inner energy absorber pad. Refer to Rear Side Door Inner Panel Lower Energy Absorber Replacement .
  4. Disconnect the inside locking rod (2) and handle rod (3) from the inside door handle.
  5. Remove the retainer clips from the rods.
  6. Remove the rear door lock. Refer to Rear Door Lock Replacement .
  7. Remove the locking rod from the rear door lock.

Installation Procedure


    Object Number: 295105  Size: MH
  1. Install the locking rod to the rear door lock. Push in to secure.
  2. Install the rear door lock. Refer to Rear Door Lock Replacement .
  3. Install the inside handle rod (3) and lock rod (2) to the rear door inside door handle.
  4. Install the retainer clips to the rods.
  5. Install the rear inner energy absorber pad. Refer to Rear Side Door Inner Panel Lower Energy Absorber Replacement .
  6. Install the rear door water deflector. Refer to Rear Side Door Water Deflector Replacement .
  7. Install the rear door trim panel. Refer to Rear Side Door Trim Panel Replacement .