GM Service Manual Online
For 1990-2009 cars only
Makes
🢒
Pontiac
🢒
2001
🢒
Grand Prix
🢒
Body and Accessories
🢒
Wiring Systems
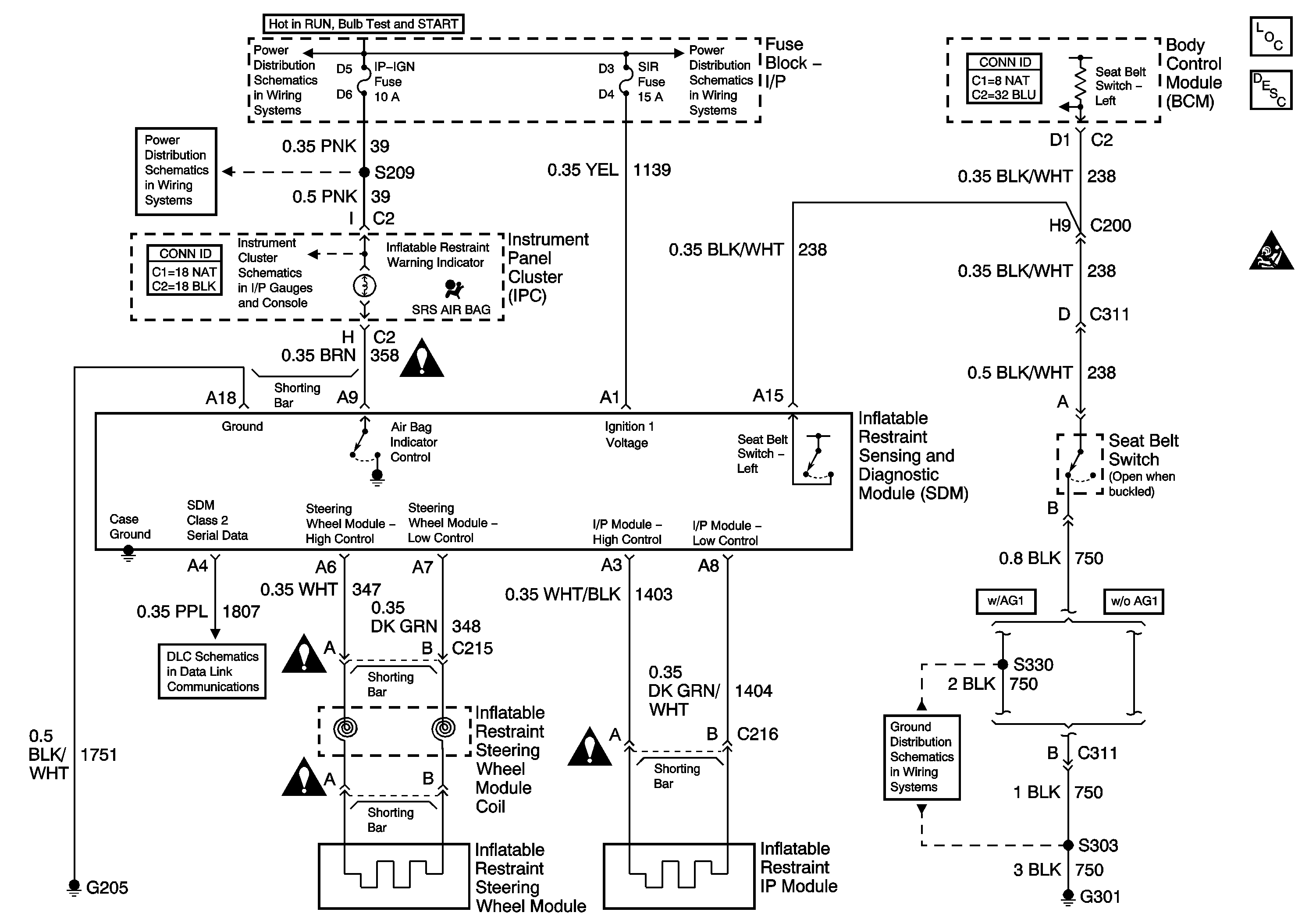
🢒 SIR Schematics