GM Service Manual Online
For 1990-2009 cars only
Makes
🢒
Pontiac
🢒
2001
🢒
Grand Prix
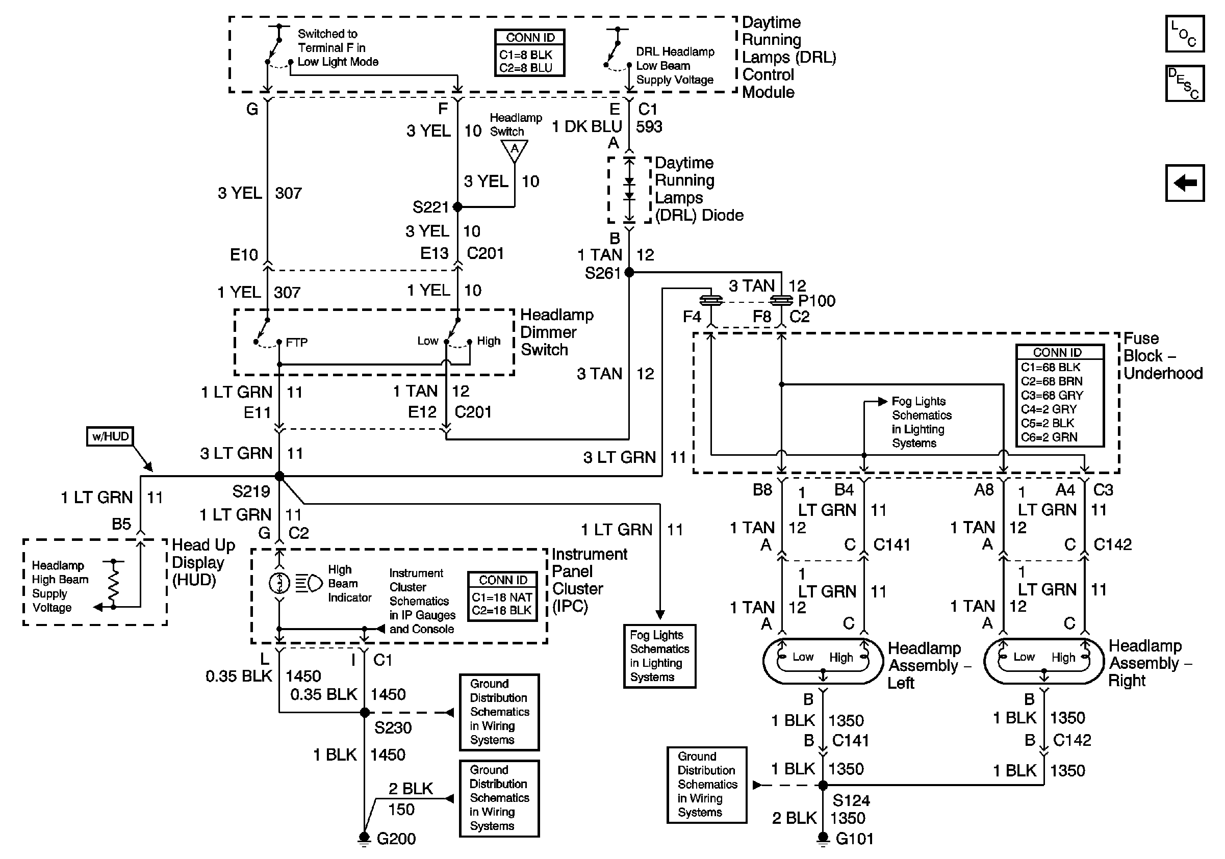
🢒 Daytime Running Lamps (DRL) Control Module Outputs
Daytime Running Lamps (DRL) Control Module Outputs
Daytime Running Lamps (DRL) Control Module Outputs
Master Electrical Component List
Daytime Running Lamps (DRL) Control Module Inputs
Fog Lights
G101
Fog Lights
Power and Ground
G200, S230
G200, S213, S375
Daytime Running Lamps (DRL) Control Module Inputs