GM Service Manual Online
For 1990-2009 cars only
Makes
🢒
Pontiac
🢒
2001
🢒
Grand Prix
🢒 Switches
Switches
Switches
Master Electrical Component List
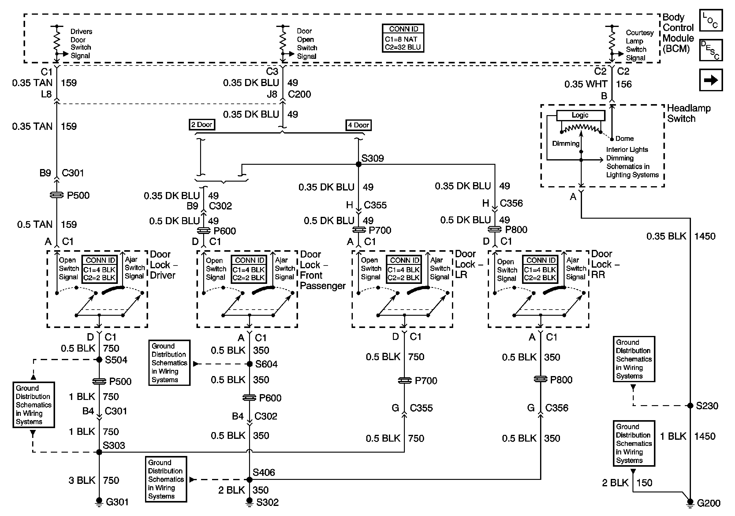
Headlamp Switch and Instrument Panel Lighting
Headlamp Switch and Instrument Panel Lighting
G301
G302, S390, S604
G302, S402, S406, S416
G200, S230
G200, S213, S375