GM Service Manual Online
For 1990-2009 cars only
Makes
🢒
Pontiac
🢒
2002
🢒
Grand Prix
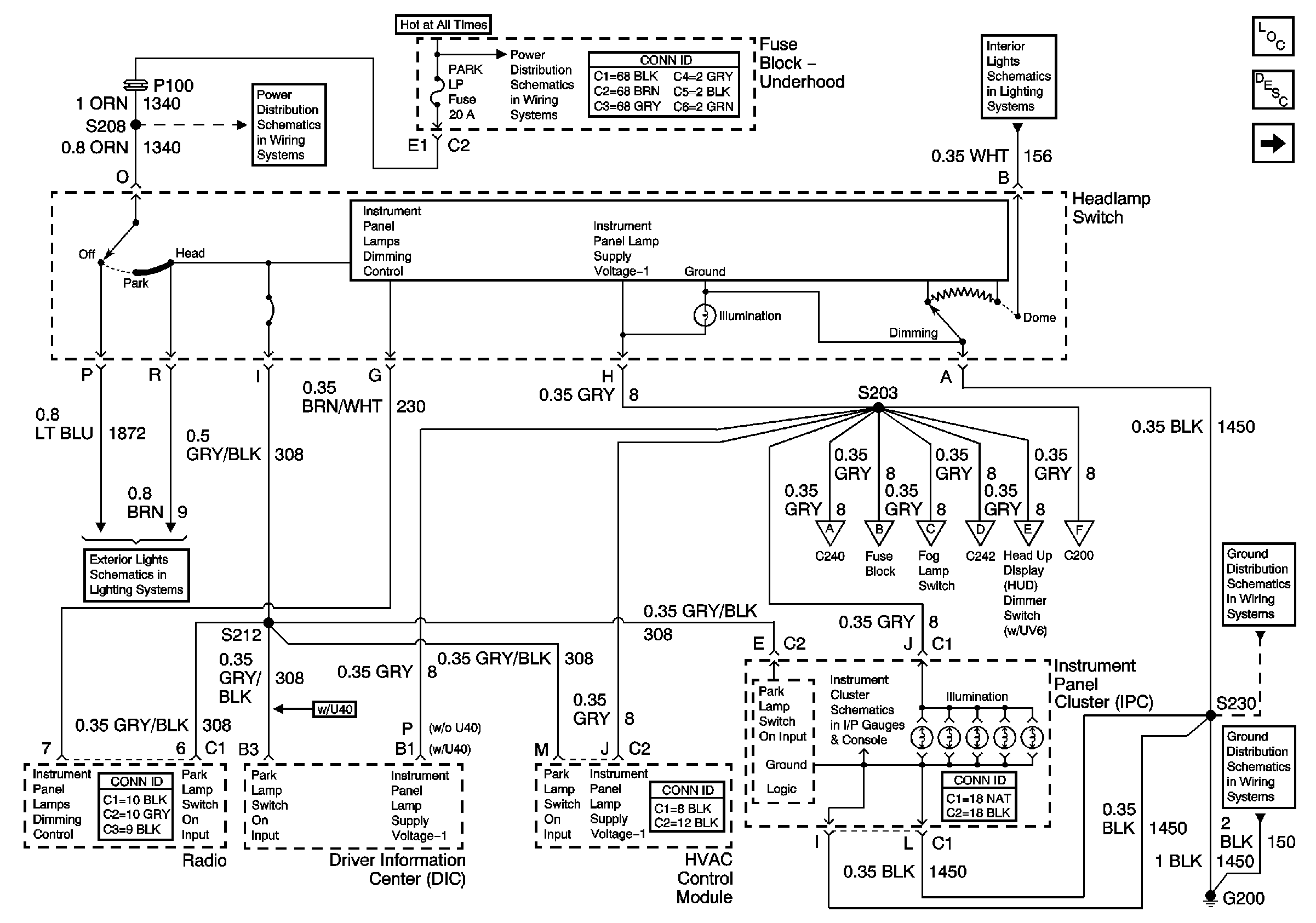
🢒 Headlamp Switch and Instrument Panel Lighting
Headlamp Switch and Instrument Panel Lighting
Headlamp Switch and Instrument Panel Lighting