GM Service Manual Online
For 1990-2009 cars only

BATT-MAIN 1-2, IGN-MAIN 1-2, HEADLAMPS, PARK LP, RADIO, AIR, ECM SENSE, ALT SENSE, B/U LAMP, COOL FAN 1-2, FUEL PUMP, FOG LP, HORN, INJ, IGN 1-UH, ELEK IGN, TCC,

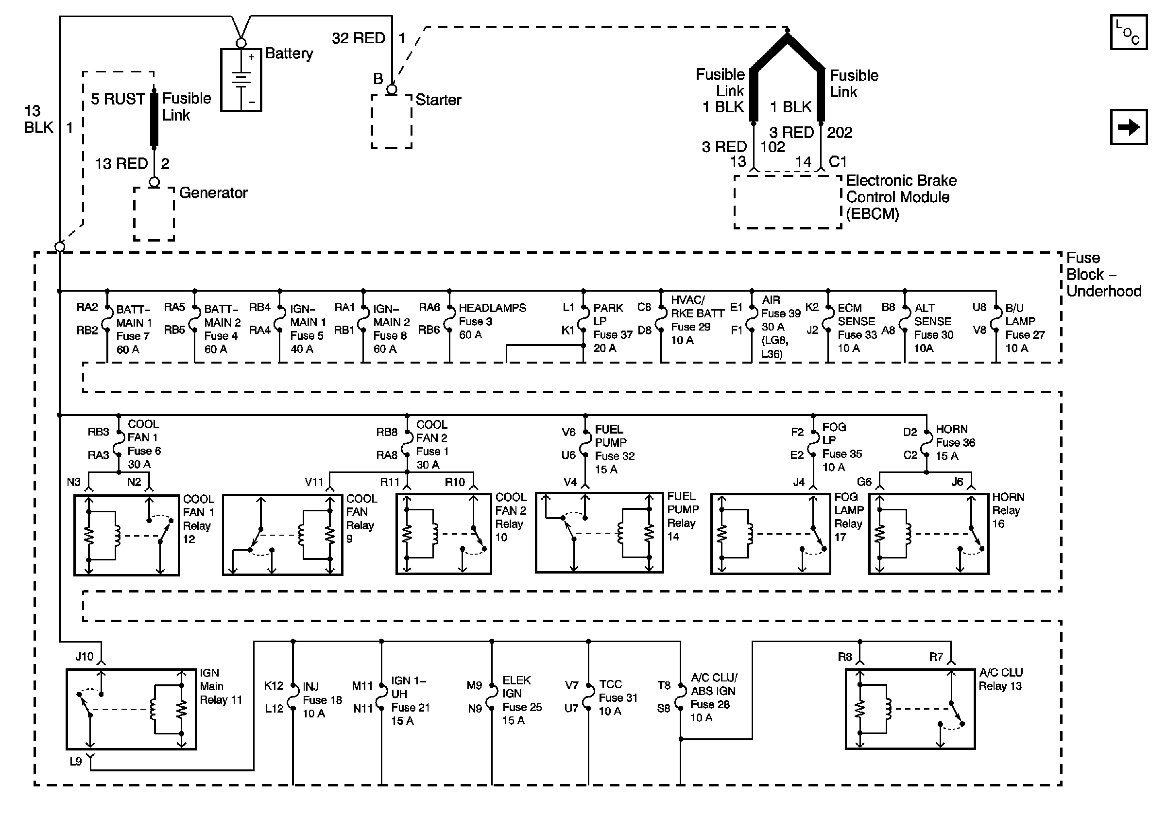
BATT-MAIN 1 - 2, IGN-MAIN 1 - 2, HEADLAMPS, PARK LP, HVAC/RKE BATT, AIR, ECM SENSE, ALT SENSE, B/U LAMP, COOL FAN 1 - 2, FUEL PUMP, FOG LP, HORN, INJ, IGN 1 - UH, ELEK IGN, TCC, A/C CLU/ABS IGN Fuses


Object Number: 790702  Size: FS
Master Electrical Component List
BATT-MAIN 1, ONSTAR, STOP LAMP, INT LAMP, CIG LTR Fuses