GM Service Manual Online
For 1990-2009 cars only
Makes
🢒
Pontiac
🢒
2002
🢒
Grand Prix
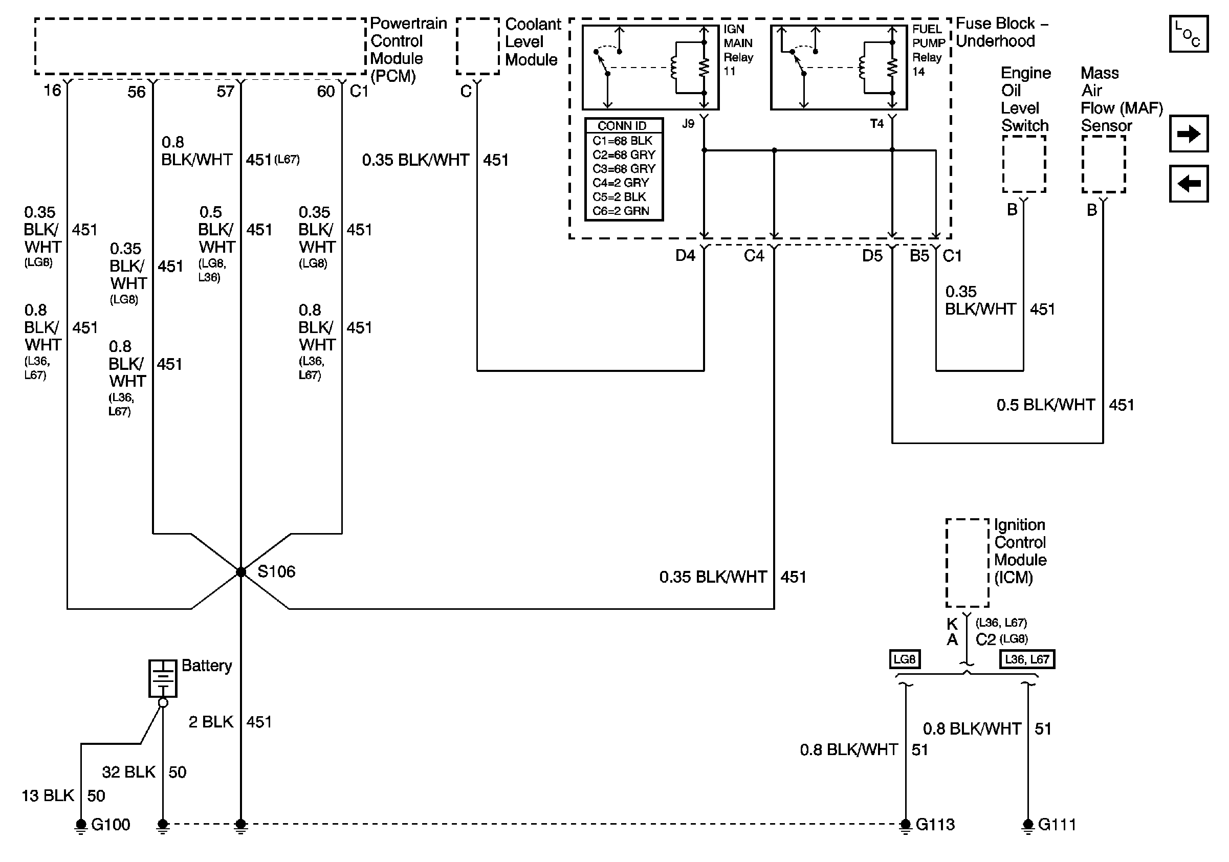
🢒 G100, G111, G113
G100, G111, G113
G100, G111, G113
Master Electrical Component List
G117
G101