GM Service Manual Online
For 1990-2009 cars only
Makes
🢒
Pontiac
🢒
2002
🢒
Grand Prix
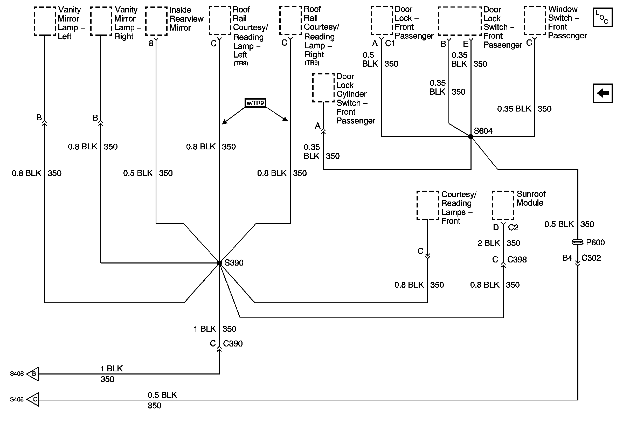
🢒 G302, S390, S604
G302, S390, S604
G302, S390, S604
Master Electrical Component List
G302, S402, S406, S416
G302, S402, S406, S416
G302, S402, S406, S416