GM Service Manual Online
For 1990-2009 cars only
Makes
🢒
Pontiac
🢒
2002
🢒
Grand Prix
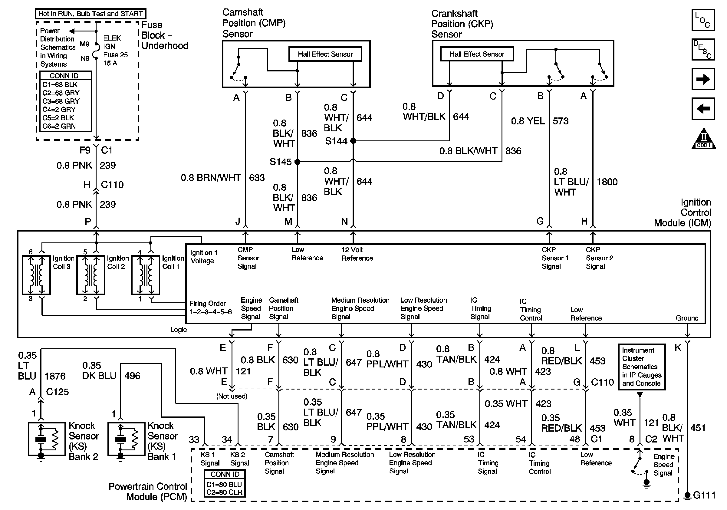
🢒 Ignition Control Module
Ignition Control Module
Ignition Control Module
Master Electrical Component List
Electronic Ignition (EI) System Description
Fuel Pump Controls
Heated Oxygen Sensors
OBD II Symbol Description Notice
TCC, ELEK IGN, and A/C CLU/ABS IGN Fuses
Gauges