GM Service Manual Online
For 1990-2009 cars only
Makes
🢒
Pontiac
🢒
2002
🢒
Grand Prix
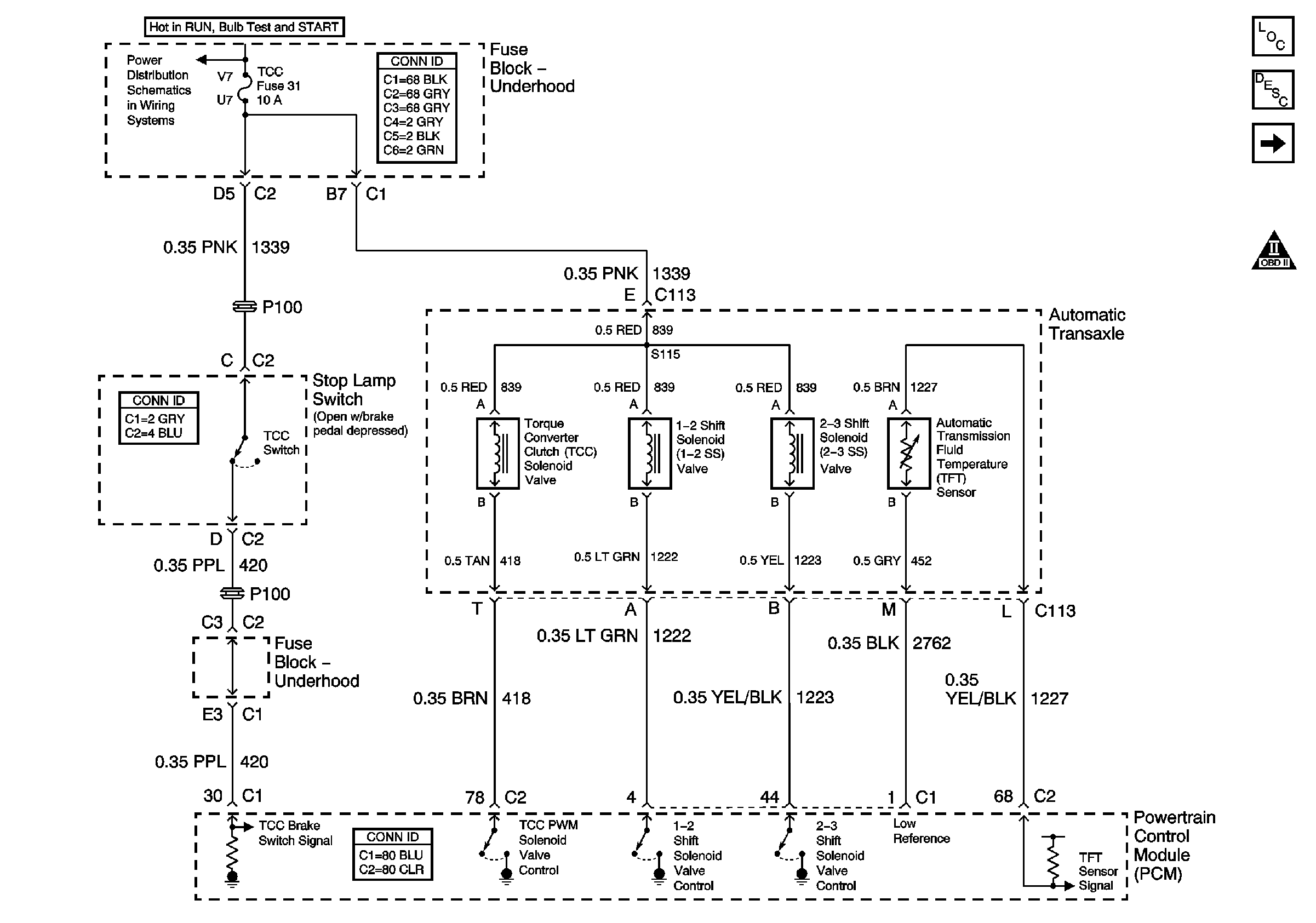
🢒 Stop Lamp Switch, TCC and Shift Solenoids, TFT Sensor
Stop Lamp Switch, TCC and Shift Solenoids, TFT Sensor
Stop Lamp Switch, TCC and Shift Solenoids, TFT Sensor
Master Electrical Component List
Electronic Component Description
VSS and ISS Sensors, Pressure Control Solenoid Valve, TCC Release Switch, and Fluid Pressure Switches
OBD II Symbol Description Notice
BATT-MAIN 2, R DEFOG, H SEAT/LUM, PWR LOCK, RADIO AMP Fuses, and SEAT Circuit Breaker