GM Service Manual Online
For 1990-2009 cars only
Figure 1:

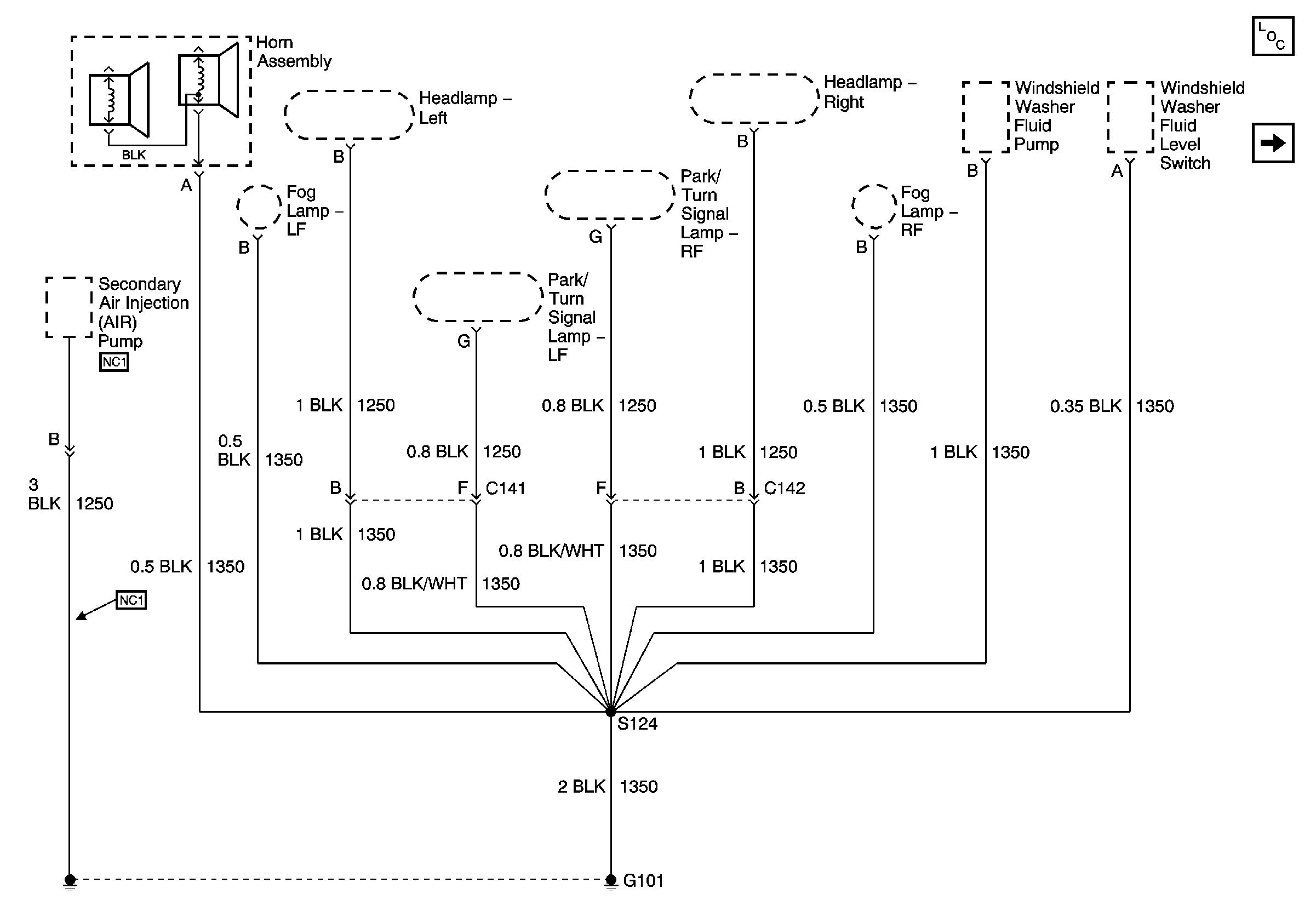
G101


Object Number: 877570  Size: FS
Master Electrical Component List
G100, G111, G113
Figure 2:

G100, G111, G113


Object Number: 877571  Size: FS
Master Electrical Component List
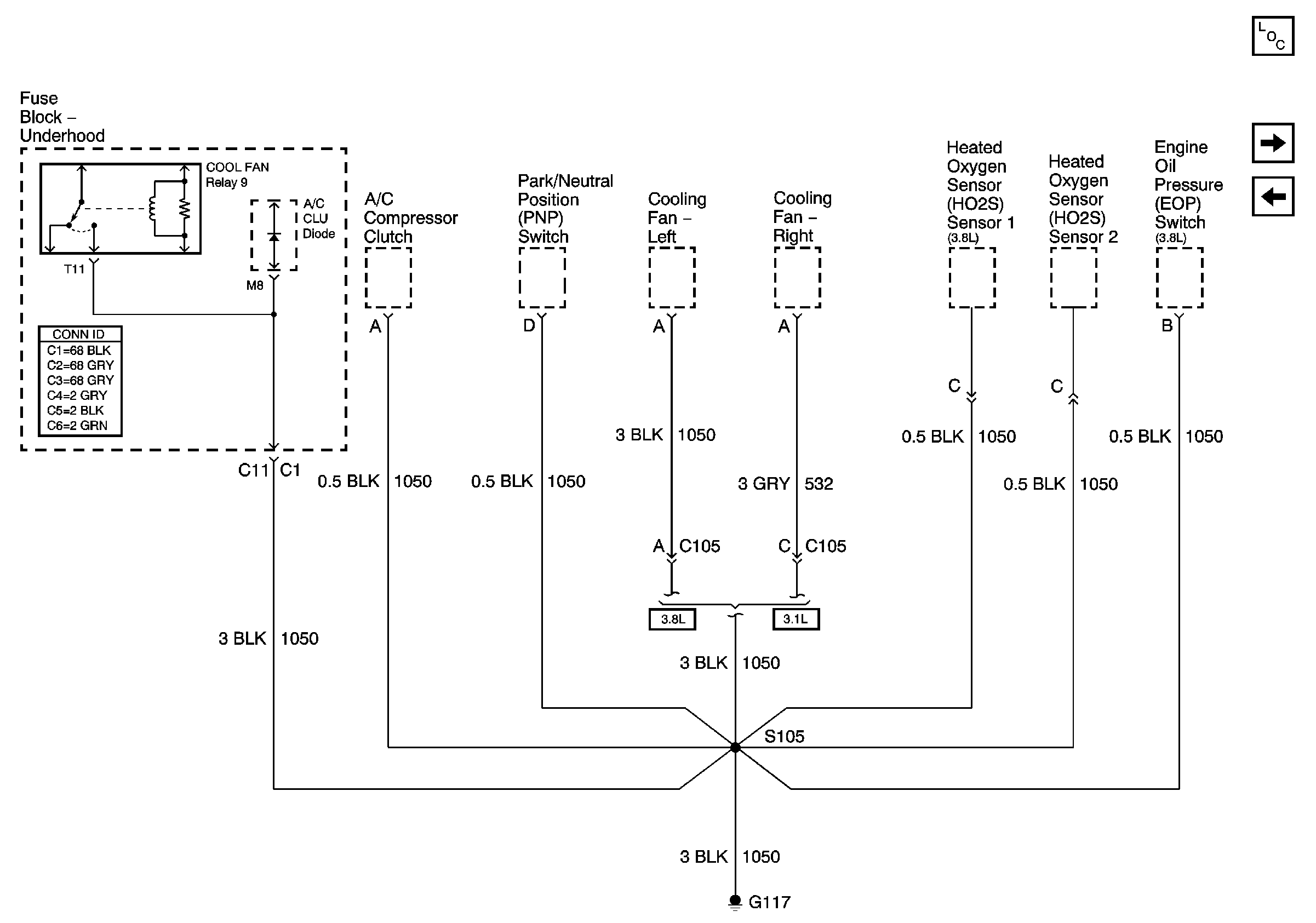
G117
G101
Figure 3:

G117


Object Number: 877574  Size: FS
Master Electrical Component List
G119
G100, G111, G113
Figure 4:

G119


Object Number: 877575  Size: FS
Master Electrical Component List
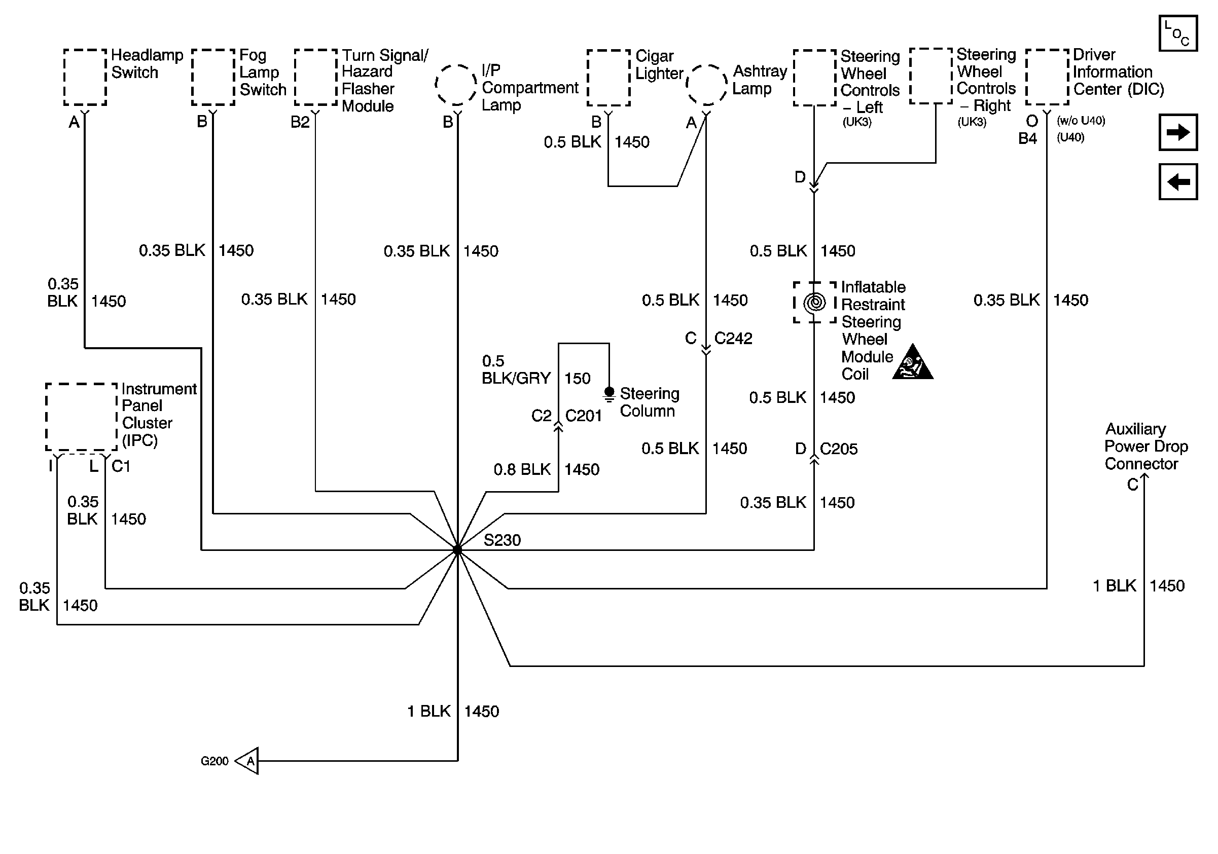
G200, G213, S375
G117
Figure 5:

G200, S213, S375


Object Number: 658587  Size: FS
Master Electrical Component List
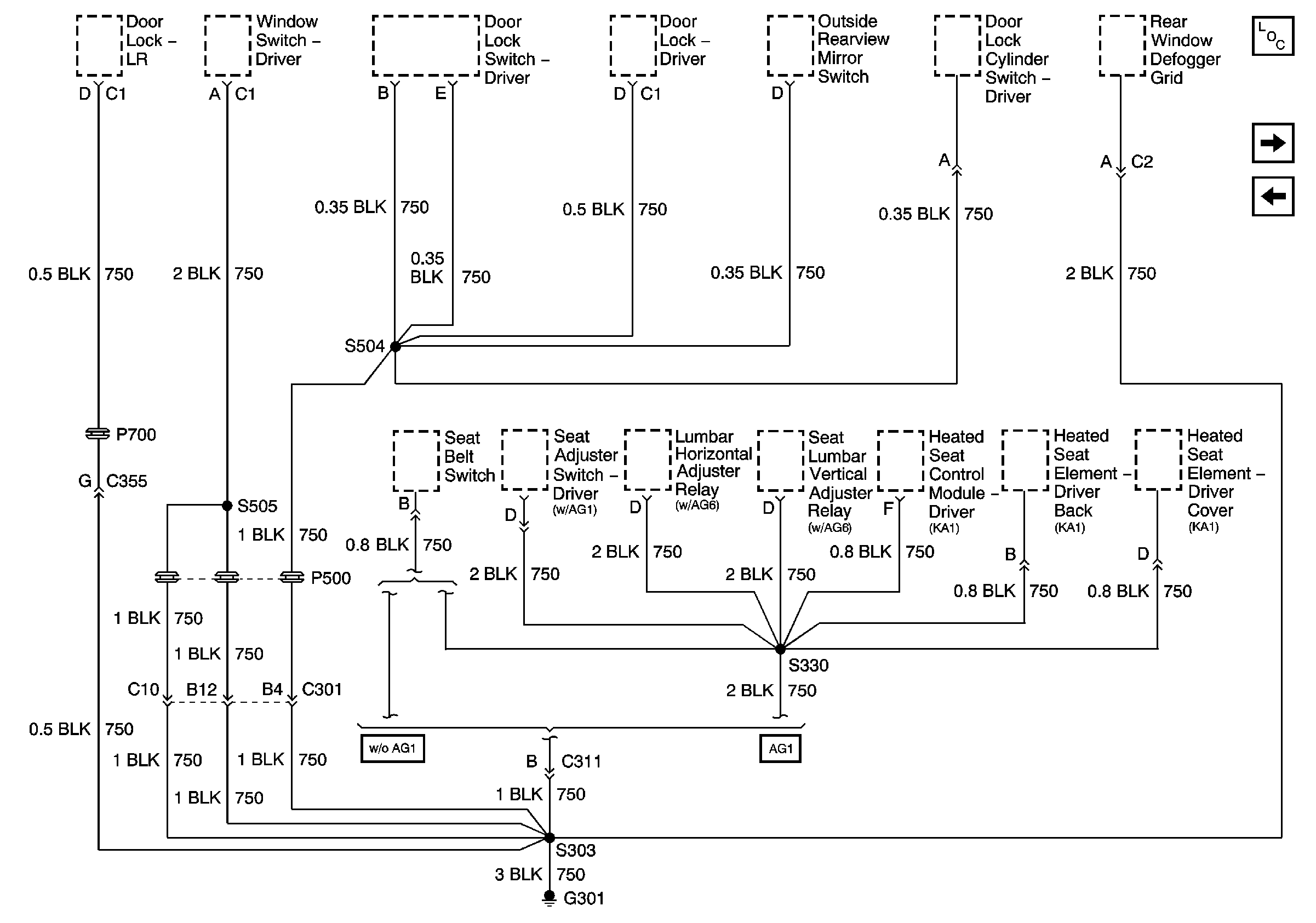
G200, S230
G119
G200, S230
G200, S211, S285
Figure 6:

G200, S230


Object Number: 877577  Size: FS
Master Electrical Component List
G200, S211, S285
G200, G213, S375
SIR Caution for Zoning
G200, G213, S375
Figure 7:

G200, S211, S285


Object Number: 658589  Size: FS
Master Electrical Component List
G201
G200, S230
G200, G213, S375
Figure 8:

G201


Object Number: 658590  Size: FS
Master Electrical Component List
G205
G200, S211, S285
Figure 9:

G205


Object Number: 877581  Size: FS
Master Electrical Component List
G301
G201
SIR Caution for Zoning
Figure 10:

G301


Object Number: 877585  Size: FS
Master Electrical Component List
G302, S402, S406, S416
G205
Figure 11:

G302, S402, S406, S416


Object Number: 877586  Size: FS
Master Electrical Component List
G302, S390, S604
G301
G302, S390, S604
G302, S390, S604
Figure 12:

G302, S390, S604


Object Number: 877587  Size: FS
Master Electrical Component List
G302, S402, S406, S416
G302, S402, S406, S416
G302, S402, S406, S416