GM Service Manual Online
For 1990-2009 cars only
Makes
🢒
Pontiac
🢒
2003
🢒
Grand Prix
🢒
Body and Accessories
🢒
Wiring Systems
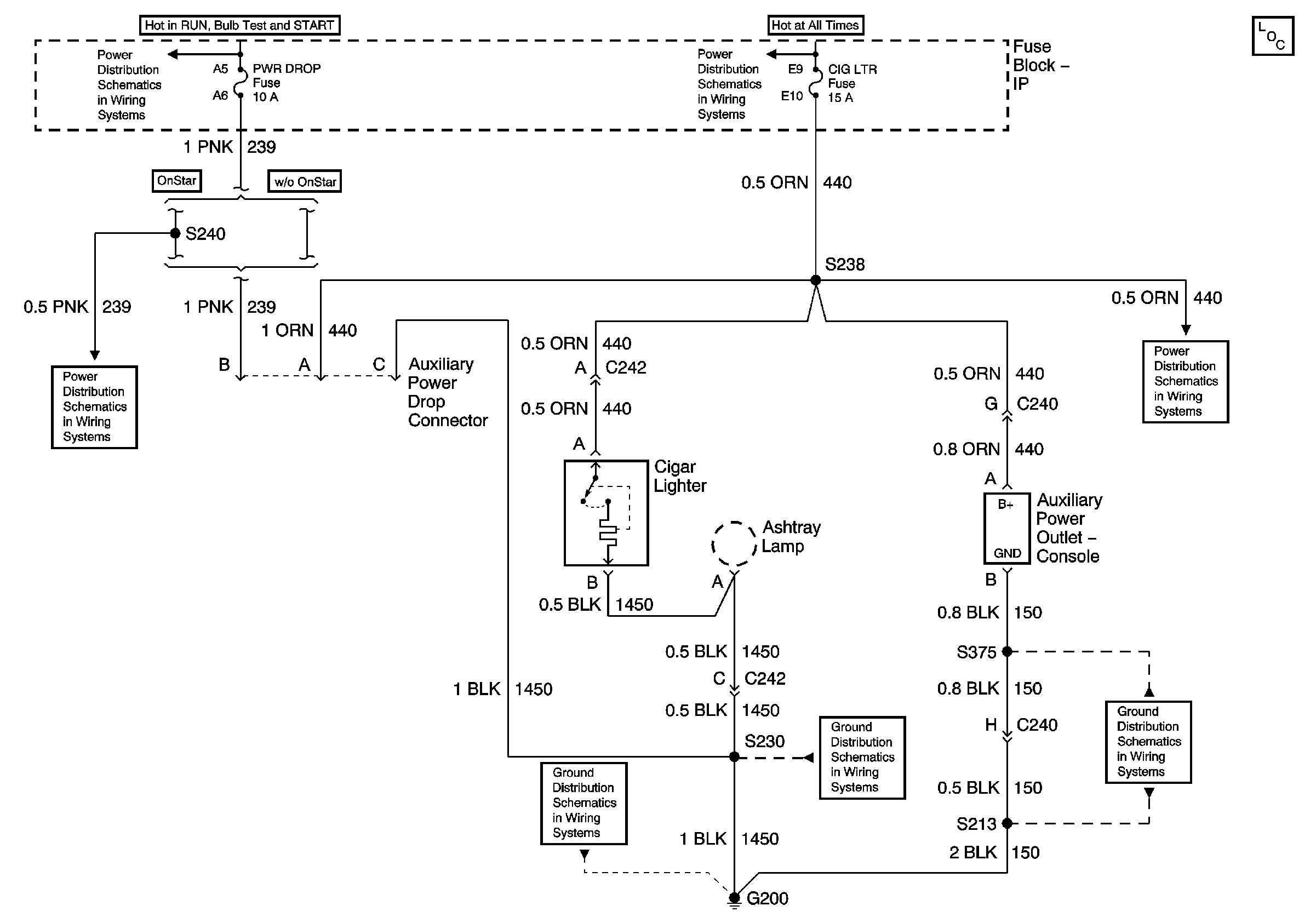
🢒 Cigar Lighter/Power Outlet Schematics
Master Electrical Component List
IGN MAIN 1, BTSI, DRL, CANISTER VENT, PWR DROP, TURN, and SIR Fuses
BATT MAIN 1, ONSTAR, STOPLAMP, INT LAMP, and CIG LTR Fuses
IGN MAIN 1, BTSI, DRL, CANISTER VENT, PWR DROP, TURN, and SIR Fuses
BATT MAIN 1, ONSTAR, STOPLAMP, INT LAMP, and CIG LTR Fuses
G200, S230
G200, G213, S375
G200, S211, S285