GM Service Manual Online
For 1990-2009 cars only
Makes
🢒
Pontiac
🢒
2003
🢒
Grand Prix
🢒
Body and Accessories
🢒
Doors
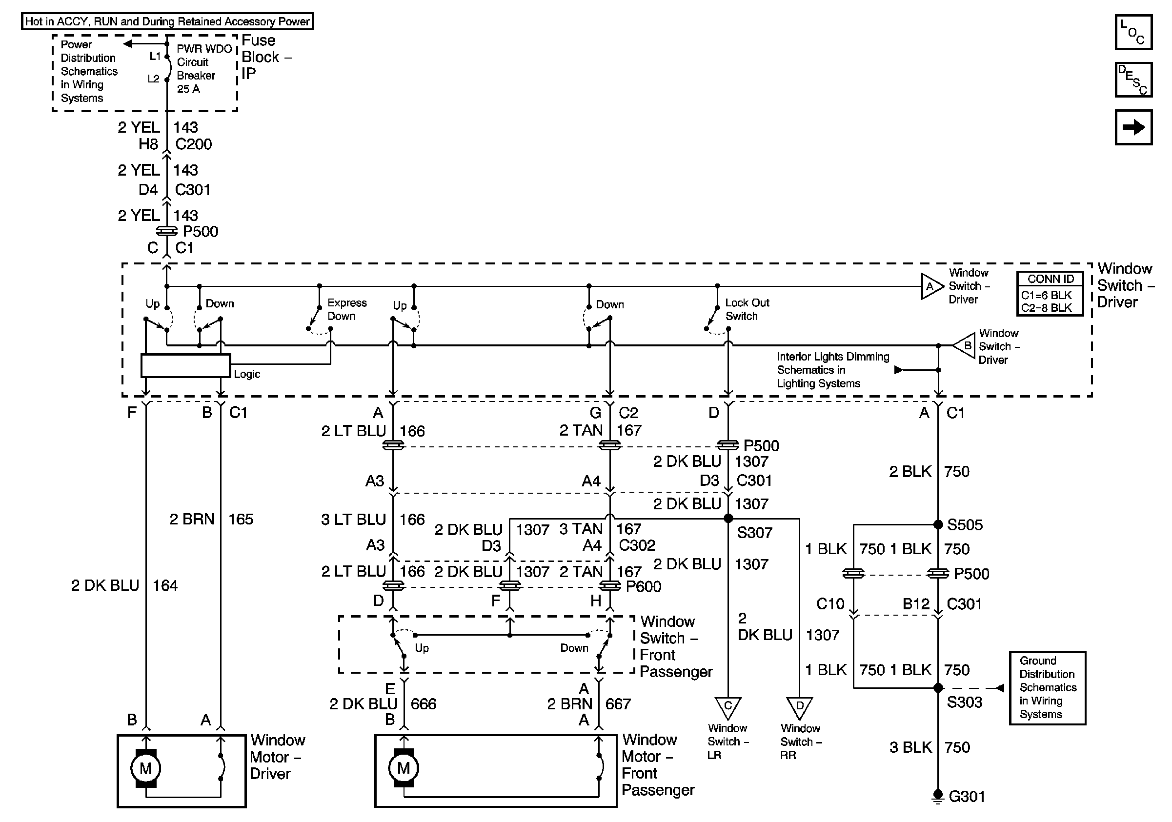
🢒 Power Window Schematics
Figure
1:
Front Windows
Master Electrical Component List
Power Windows Description and Operation
4 Door Rear
IGN MAIN 2, RADIO, SUNROOF, STR WHL CTRL, WIPER, MALL, MALL PGM Fuses, and PWR WDO Circuit Breaker
Door Switch Lighting
4 Door Rear
4 Door Rear
4 Door Rear
4 Door Rear
G301
Figure
2:
Rear Windows
Master Electrical Component List
Power Windows Description and Operation
4 Door Front
4 Door Front
4 Door Front
4 Door Front
4 Door Front