GM Service Manual Online
For 1990-2009 cars only
Makes
🢒
Pontiac
🢒
2003
🢒
Grand Prix
🢒 DLC
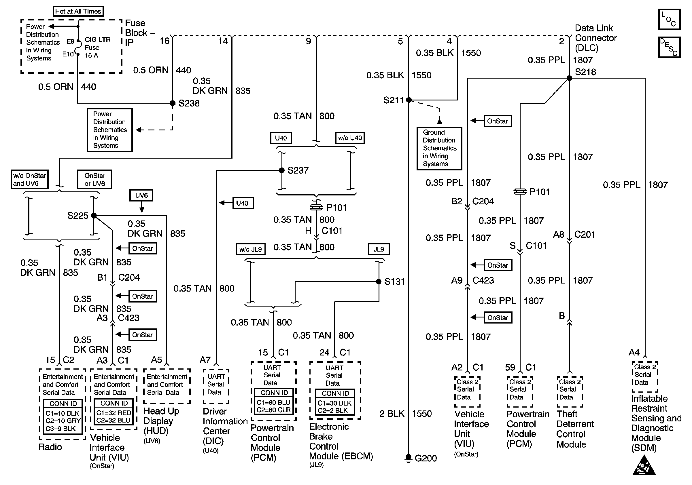
DLC
Master Electrical Component List
Data Link Communications Description and Operation
BATT MAIN 1, ONSTAR, STOPLAMP, INT LAMP, and CIG LTR Fuses
BATT MAIN 1, ONSTAR, STOPLAMP, INT LAMP, and CIG LTR Fuses
G200, S211, S285
SIR Caution for Zoning