GM Service Manual Online
For 1990-2009 cars only
Makes
🢒
Pontiac
🢒
2003
🢒
Grand Prix
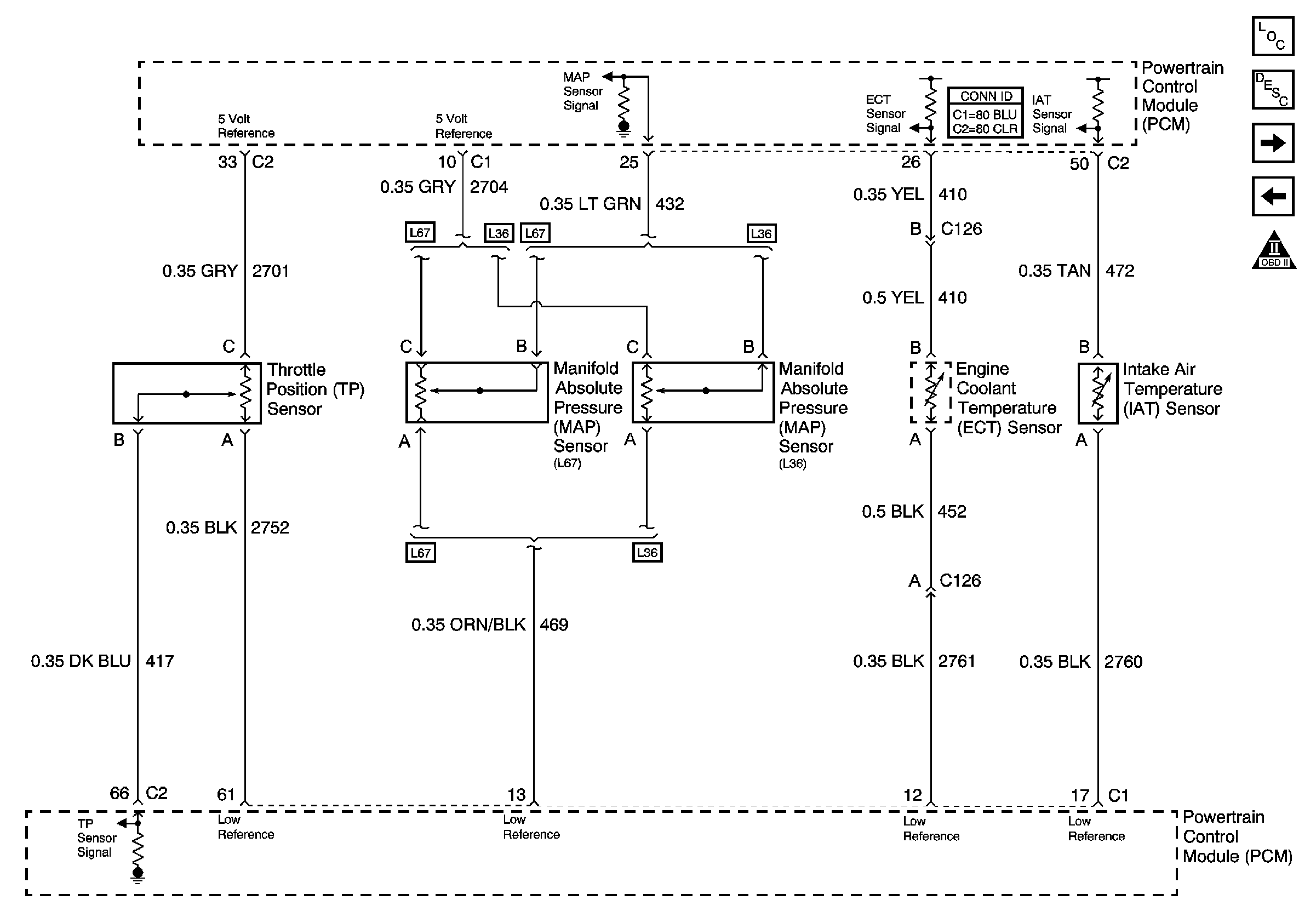
🢒 MAP, ECT, IAT, and TP Sensor
MAP, ECT, IAT, and TP Sensor
MAP, ECT, IAT, and TP Sensors
Master Electrical Component List
Powertrain Control Module Description
MAF, A/T Controls, and VSS Reference
5 Volt and Low Reference Bussing
OBD II Symbol Description Notice