GM Service Manual Online
For 1990-2009 cars only
Makes
🢒
Pontiac
🢒
2003
🢒
Grand Prix
🢒 Retained Accessory Power
Retained Accessory Power
Master Electrical Component List
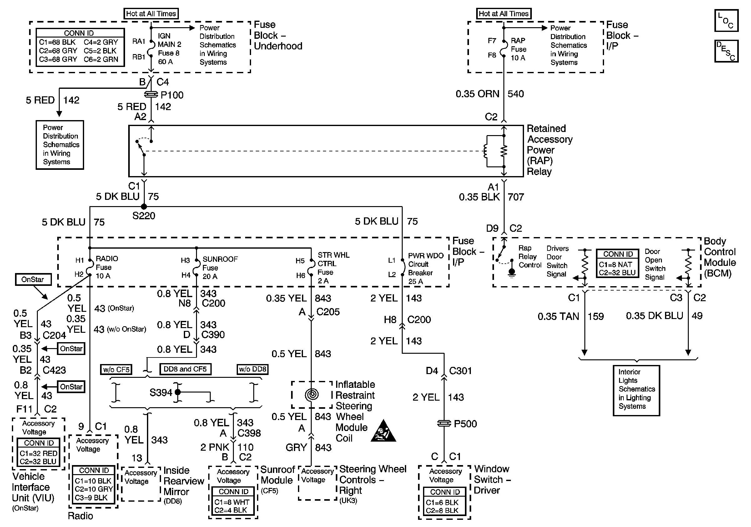
Retained Accessory Power (RAP) Description and Operation
BATT MAIN 1, 2 IGN MAIN 1, 2 HEADLAMPS, PARK LP, HVAC/RKE BATT, AIR, ECM SENSE, ALT SENSE, B/U LAMP, COOL FAN 1, 2 FUEL PUMP, FOG LP, HORN, INJ, IGN1-UH, ELEK IGN, TCC, A/C CLU/ABS IGN Fuses
HEADLAMPS, HVAC HI, PWR MIR, HAZARD, RAP, PASS-KEY Fuses and HEADLAMP Circuit Breaker
IGN MAIN 2, RADIO, SUNROOF, STR WHL CTRL, WIPER, MALL, MALL PGM Fuses, and PWR WDO Circuit Breaker
Switches
SIR Caution for Zoning