GM Service Manual Online
For 1990-2009 cars only
Makes
🢒
Pontiac
🢒
2003
🢒
Grand Prix
🢒 Overhead Lighting
Overhead Lighting
Overhead Lighting
Master Electrical Component List
Interior Lighting Systems Description and Operation
Instrument Panel and Rear Compartment Lamps
Instrument Panel and Rear Compartment Lamps
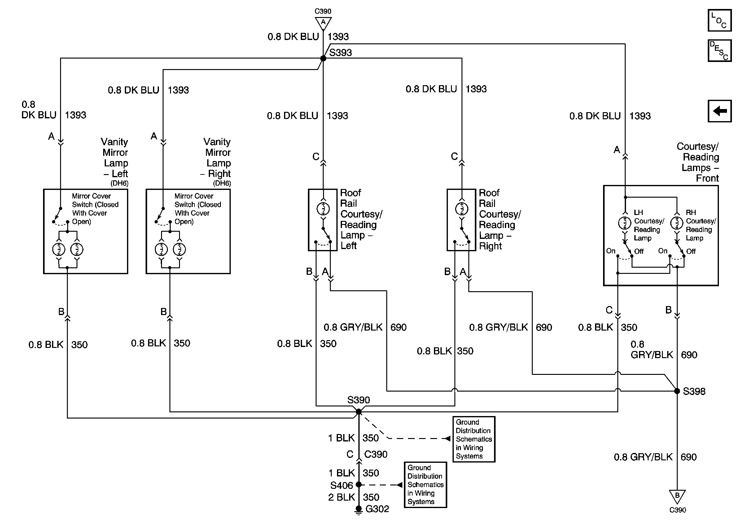
G302, S390, S604
G302, S402, S406, S416
Instrument Panel and Rear Compartment Lamps