GM Service Manual Online
For 1990-2009 cars only
Figure 1:

Left Front of the Vehicle


Object Number: 1202703  Size: LF
(1)G101
(2)C141
(3)S110
(4)C143
Figure 2:

Right Front of the Vehicle


Object Number: 1202707  Size: LF
(1)C120
(2)G100
(3)S124
(4)C142
Figure 3:

Lower Front of the Engine


Object Number: 1203636  Size: LF
(1)Knock Sensor (KS) Bank 1
(2)G115
(3)Starter Solenoid
(4)Starter
(5)Starter Solenoid Terminal S
(6)Fusible Link
(7)Positive Battery Cable
(8)Engine Oil Level Switch
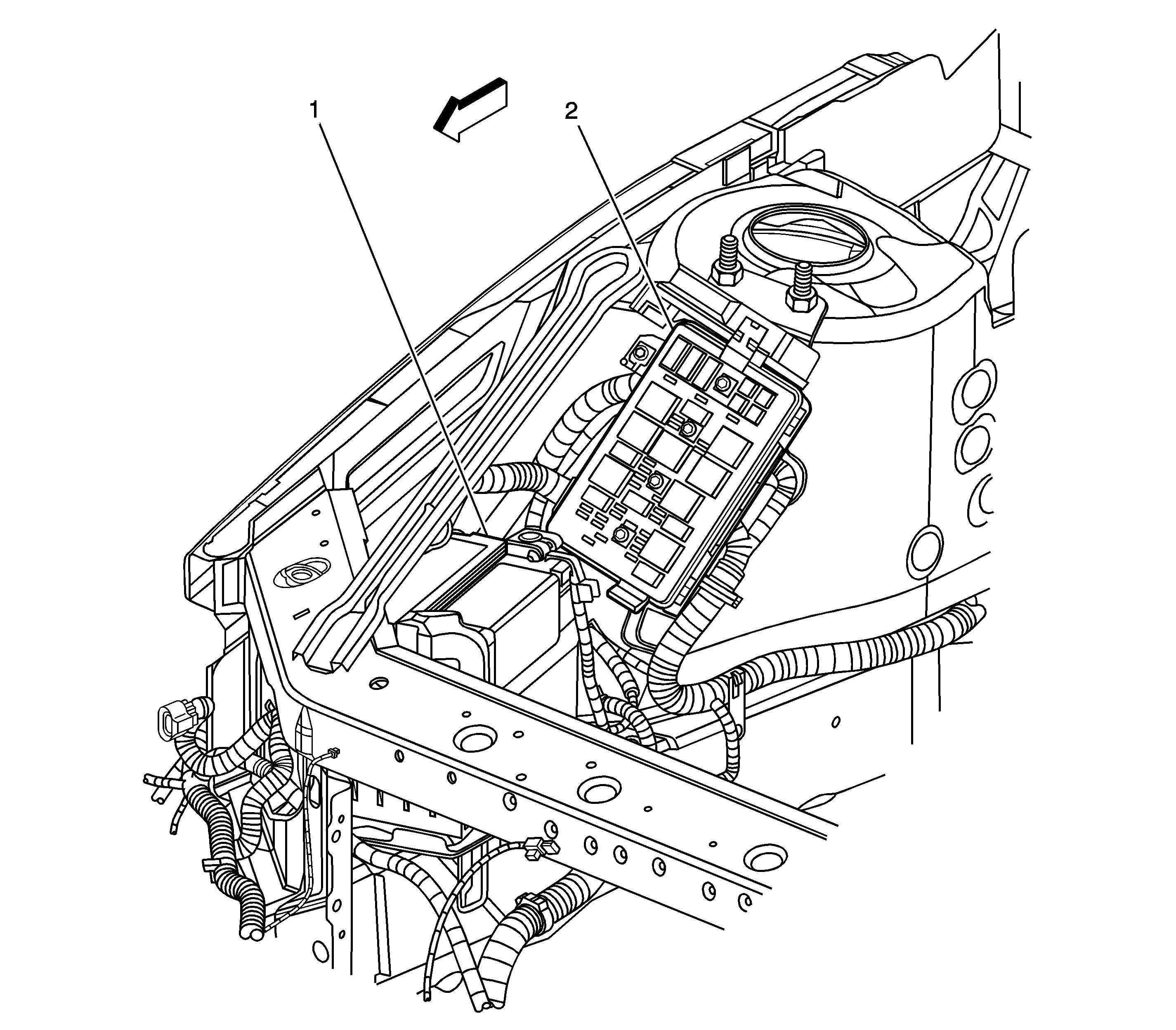
Figure 4:

Right Front of Engine Compartment


Object Number: 1203156  Size: LF
(1)Battery
(2)Fuse Block - Underhood
Figure 5:

Right Front of the Engine Compartment


Object Number: 1043757  Size: MF
(1)Camshaft Position (CMP) Sensor
(2)Ignition Control Module (ICM) Wiring Harness
(3)C110
(4)Ignition Control Module (ICM)
(5)Ignition Coils
(6)G112
(7)Ignition Control Module (ICM) Wiring Harness
(8)Ignition Control Module (ICM) Wiring Harness
(9)Crankshaft Position (CKP) Sensor
Figure 6:

Right Front of the Engine Compartment


Object Number: 1320848  Size: LF
(1)C104
(2)G102
Figure 7:

Left Side of the I/P


Object Number: 555458  Size: MF
(1)Ignition Cylinder Housing
(2)Ignition Lock Cylinder
(3)Theft Deterrent Exciter Module
Figure 8:

Right Side of the I/P


Object Number: 1203161  Size: LF
(1)Fuse Block - I/P
(2)Inflatable Restraint I/P Module, Connector
(3)C200
(4)C202
Figure 9:

Right Side of Upper Left Footwell


Object Number: 1211595  Size: LF
(1)C201
(2)Inflatable Restraint Steering Wheel Module Coil, C1
(3)G202
(4)G201
(5)Splice Pack SP205
(6)Data Link Connnector (DLC)
Figure 10:

Left Front of the Passenger Compartment


Object Number: 1202726  Size: LF
(1)C355
(2)C290
(3)C291
(4)C208
(5)C207
(6)C301
(7)S307
(8)G301
(9)S303
Figure 11:

Right Side of the Passenger Compartment


Object Number: 1202715  Size: LF
(1)C302
(2)C200
(3)G302
(4)C356
(5)S406