GM Service Manual Online
For 1990-2009 cars only
Makes
🢒
Pontiac
🢒
2004
🢒
Grand Prix
🢒
Body
🢒
Instrument Panel, Gages, and Console
🢒 Instrument Cluster Schematics
Figure
1:
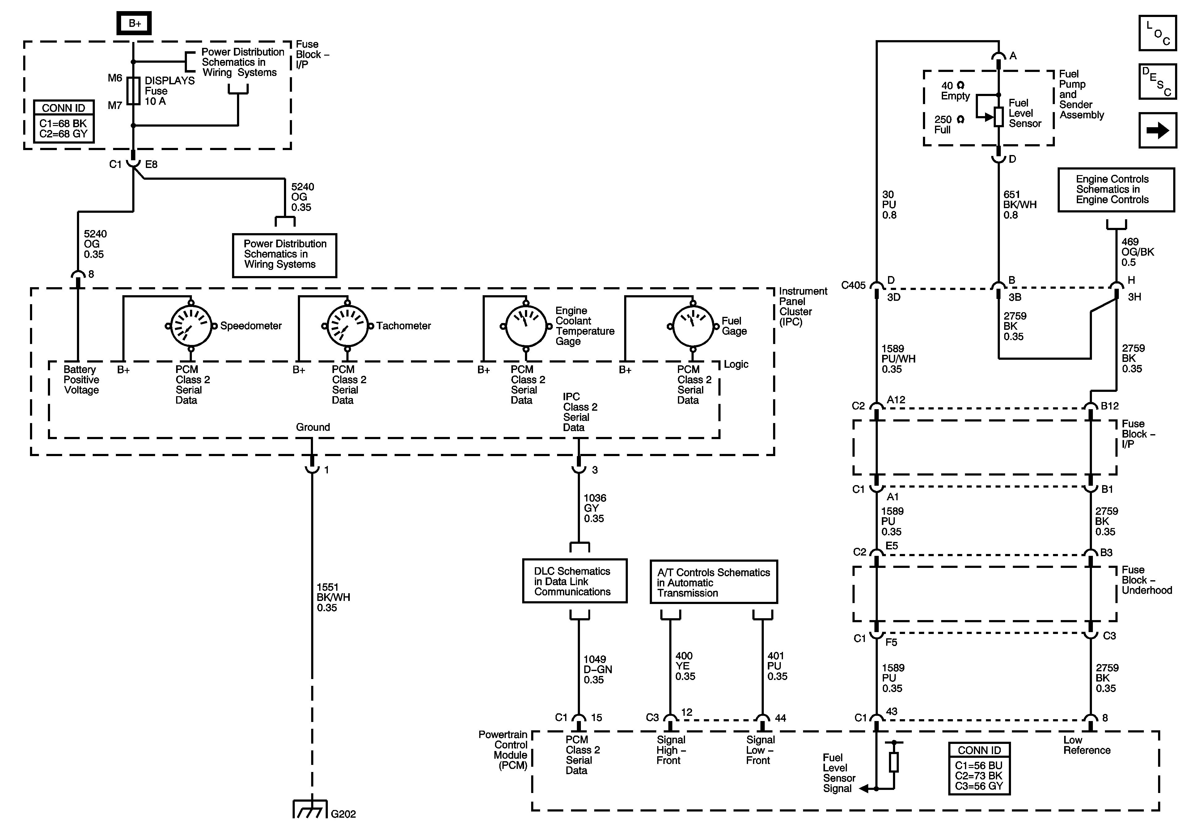
Power, Ground and Gages
Master Electrical Component List
Instrument Cluster Description and Operation
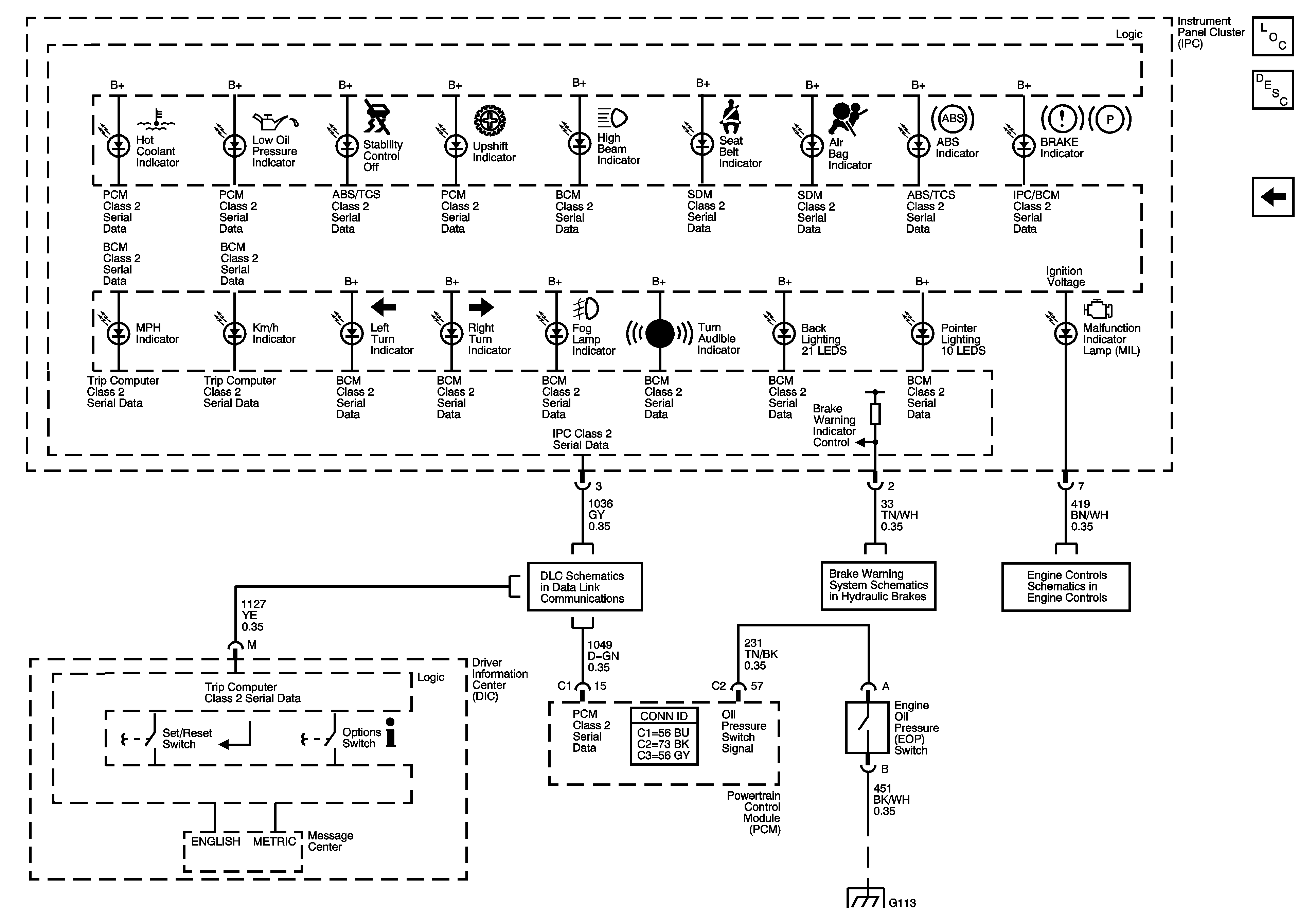
04 W Pontiac Instrument Cluster Schematics - Indicators
BATT MAIN 1, PK LAMPS, DISPLAYS, CHMSL/BKUP, INT LIGHT, RFA/MOD, RADIO/AMP, ONSTAR/ALDL, HVAC, CANISTER Fuses, and PK LP Relay
BATT MAIN 1, PK LAMPS, DISPLAYS, CHMSL/BKUP, INT LIGHT, RFA/MOD, RADIO/AMP, ONSTAR/ALDL, HVAC, CANISTER Fuses, and PK LP Relay
BATT MAIN 1, PK LAMPS, DISPLAYS, CHMSL/BKUP, INT LIGHT, RFA/MOD, RADIO/AMP, ONSTAR/ALDL, HVAC, CANISTER Fuses, and PK LP Relay
EVAP Solenoids, FTP Sensor, and EGR Valve
Data Link Connector (DLC) Schematics
VSS and AT ISS Sensors, Pressure Control Solenoid Valve, and TCC Release Switch
G202
Figure
2:
Indicators
Master Electrical Component List
Instrument Cluster Description and Operation
04 W Pontiac Instrument Cluster Schematics - Power, Ground and Gages
Data Link Connector (DLC) Schematics
Brake Warning System Schematics
PCM Power, Ground, MIL, and Serial Data
G101, G112 and G113