GM Service Manual Online
For 1990-2009 cars only

Removal Procedure


    Object Number: 1203709  Size: SH
  1. Remove the rear seat cushion. Refer to Rear Seat Cushion Replacement in Seats.
  2. Remove the rear seat back. Refer to Rear Seat Back Replacement in Seats.
  3. Remove the left sail panel. Refer to Sail Panel Replacement in Interior Trim.
  4. Remove the left rear quarter lower panel. Refer to Rear Quarter Lower Trim Panel Replacement in Interior Trim.
  5. Remove the left rear upper quarter trim panel. Refer to Rear Quarter Upper Trim Panel Replacement in Interior Trim.
  6. Lower the rear of the headliner. Refer to Headlining Trim Panel Replacement in Interior Trim.
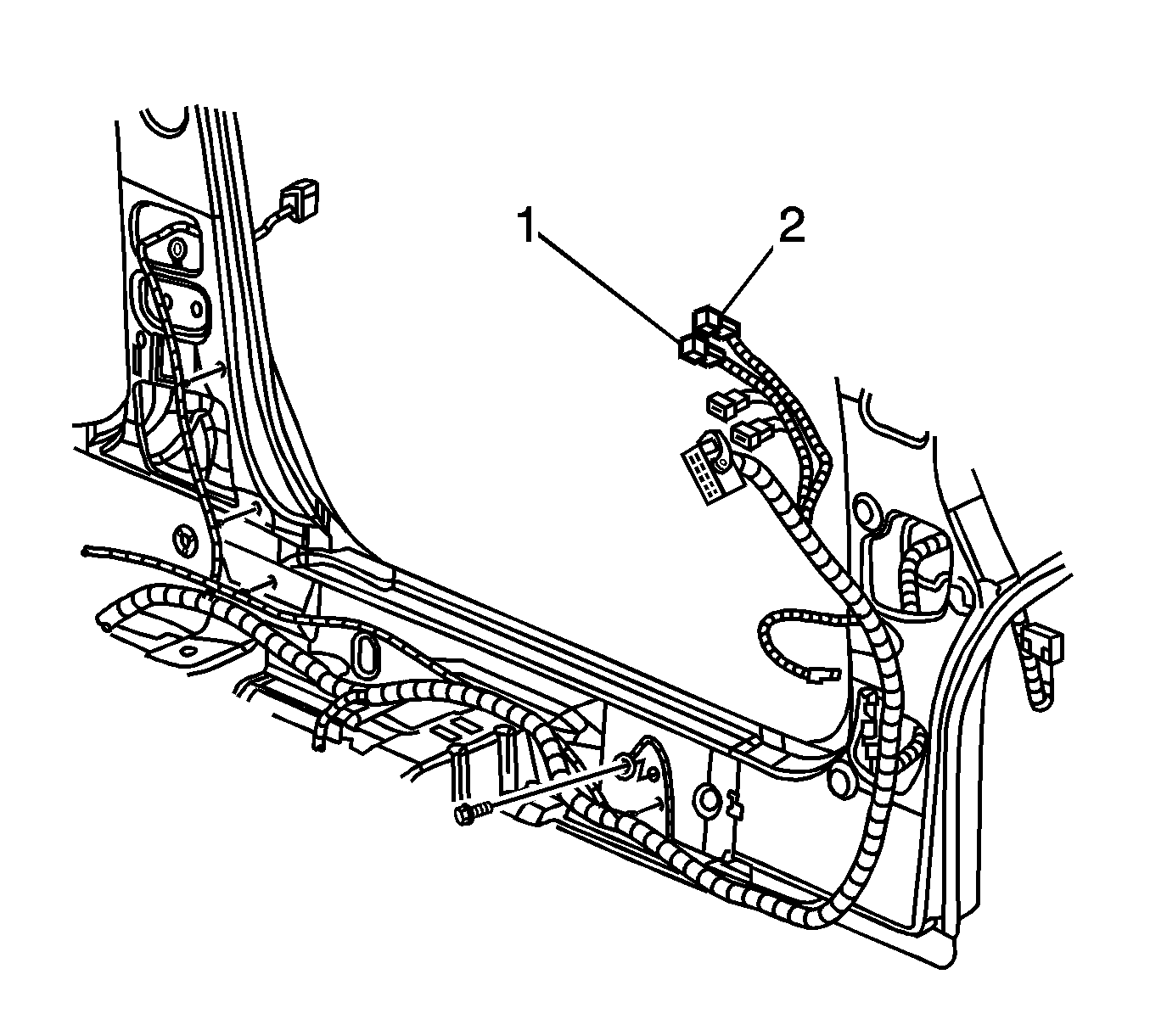
  7. Disconnect the antenna cable (2) from the radio antenna module.

  8. Object Number: 1204244  Size: SH
  9. Remove the left front carpet retainer. Refer to Front Carpet Retainer Replacement in Interior Trim.
  10. Remove the lower center pillar trim panel. Refer to Center Pillar Lower Trim Panel Replacement in Interior Trim.
  11. Adjust the carpet for access to the antenna cable (1) and body harness as required. Refer to Front Floor Panel Carpet Replacement in Interior Trim.

  12. Object Number: 929251  Size: SH
  13. Remove the left instrument panel (I/P) compartment access hole cover.

  14. Object Number: 1204388  Size: SH
  15. Disconnect the antenna cable from the antenna extension cable (1).
  16. Cut off the visible ends of the antenna cable from the wiring harness in the following locations:
  17. • The kick panel area
    • The rear header area

Installation Procedure


    Object Number: 1204244  Size: SH
  1. Install the antenna cable (1) to the vehicle. Use electrical tape in order to secure the antenna cable to the top of the wiring harness. Secure the cable to the harness at least every 150 mm (6 in).

  2. Object Number: 1204334  Size: SH
  3. Connect the antenna cable to the antenna extension cable.

  4. Object Number: 929251  Size: SH
  5. Install the left I/P compartment access hole cover.
  6. Install the carpet. Refer to Front Floor Panel Carpet Replacement in Interior Trim.
  7. Install the lower center pillar trim panel. Refer to Center Pillar Lower Trim Panel Replacement in Interior Trim.
  8. Install the left front carpet retainer. Refer to Front Carpet Retainer Replacement in Interior Trim.

  9. Object Number: 1203709  Size: SH
  10. Connect the antenna cable (2) to the radio antenna module
  11. Install the headliner. Refer to Headlining Trim Panel Replacement in Interior Trim.
  12. Install the left rear upper quarter trim panel. Refer to Rear Quarter Upper Trim Panel Replacement in Interior Trim.
  13. Install the left rear quarter lower panel. Refer to Rear Quarter Lower Trim Panel Replacement in Interior Trim.
  14. Install the left sail panel. Refer to Sail Panel Replacement in Interior Trim.
  15. Install the rear seat back. Refer to Rear Seat Back Replacement in Seats.
  16. Install the rear seat cushion. Refer to Rear Seat Cushion Replacement in Seats.