GM Service Manual Online
For 1990-2009 cars only
Figure 1:

G100


Object Number: 955963  Size: FS
Master Electrical Component List
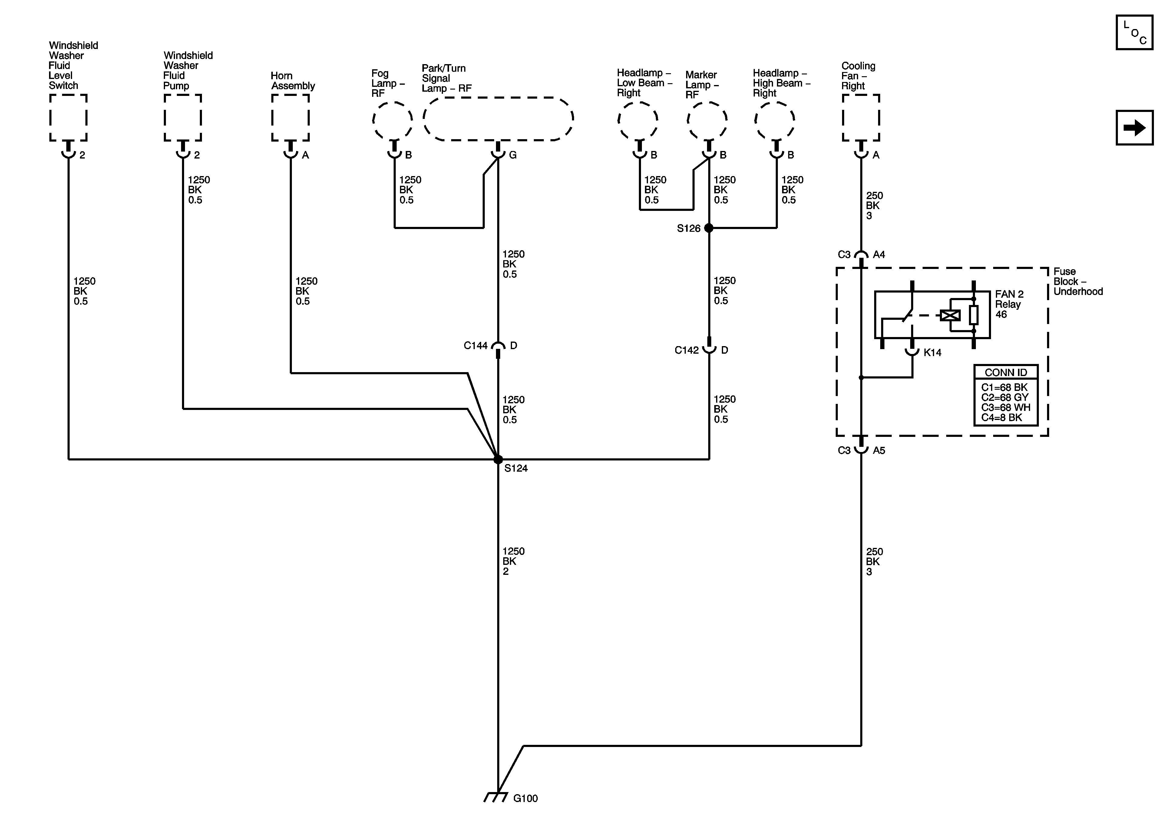
G101, G112 and G113
Figure 2:

G101, G112, and G113


Object Number: 955971  Size: FS
Master Electrical Component List
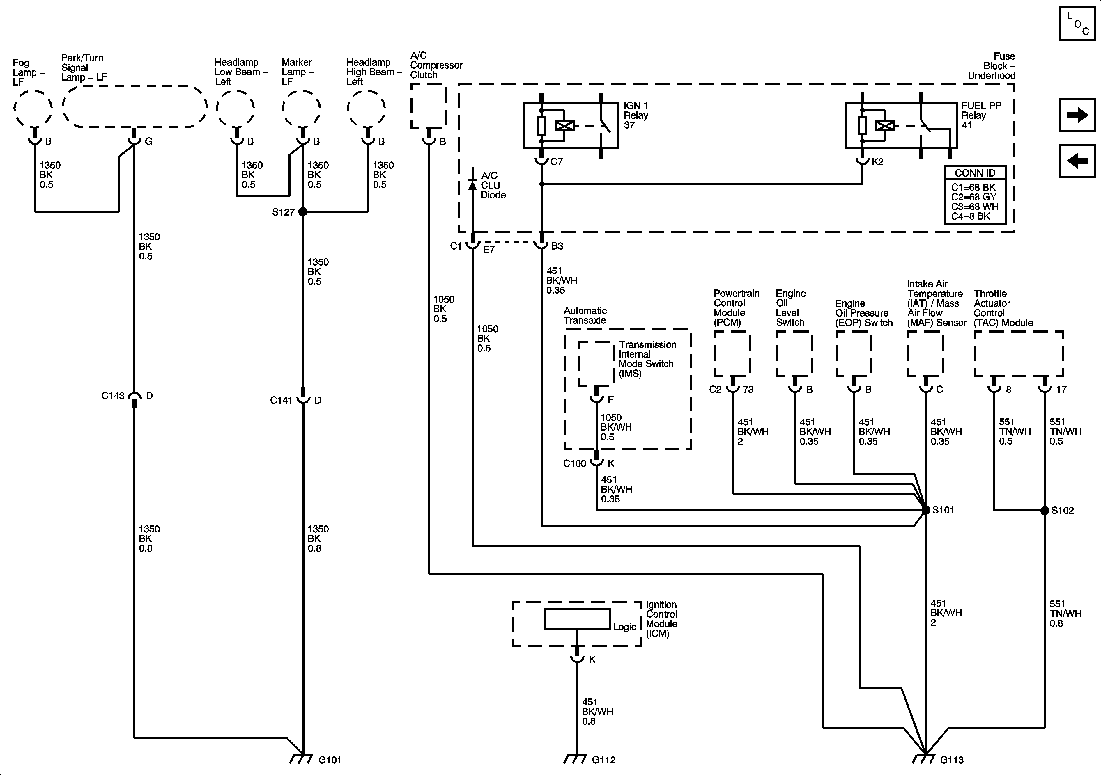
G102, G115 and G201
G100
Figure 3:

G102, G115, and G201


Object Number: 955982  Size: FS
Master Electrical Component List
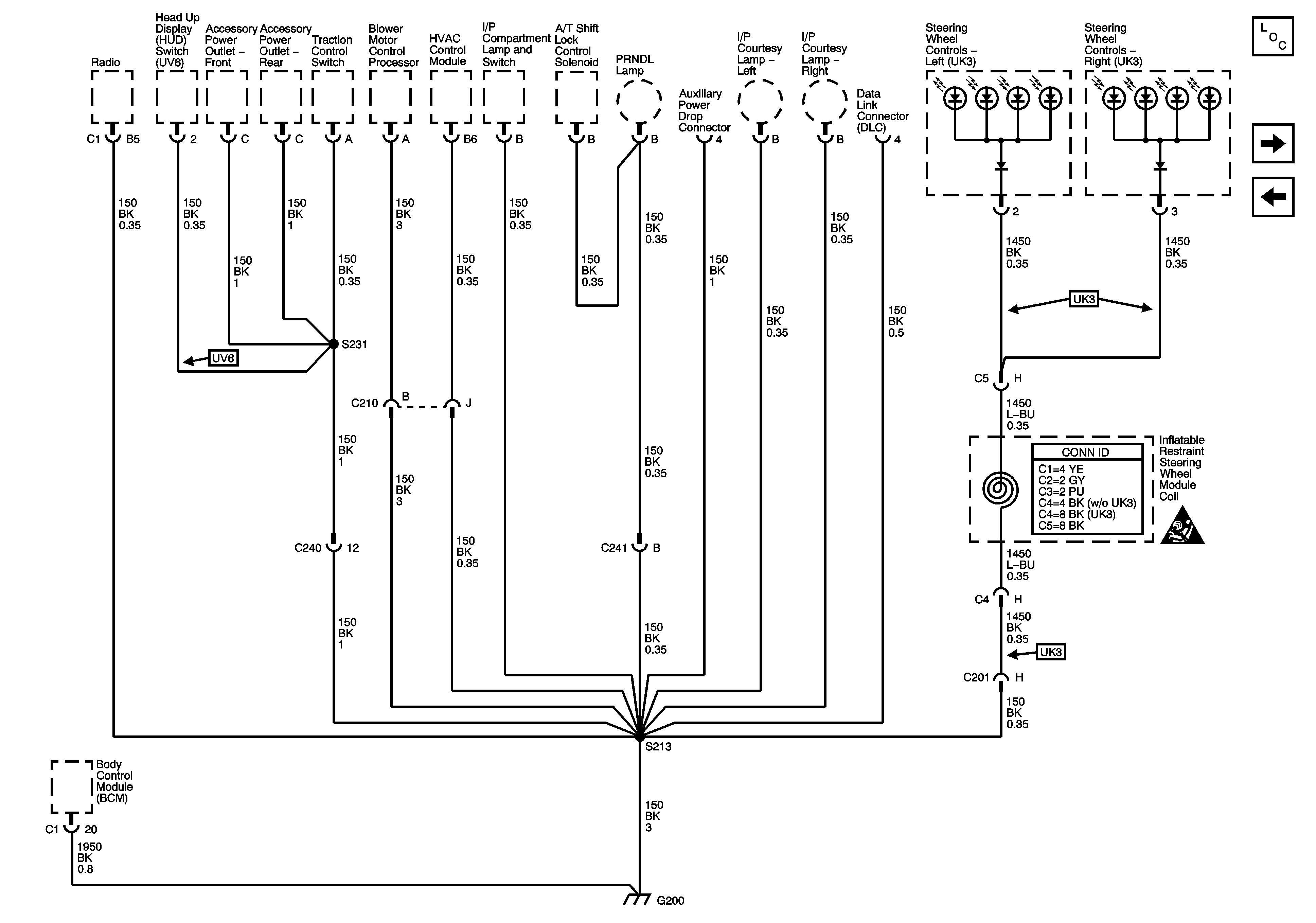
G200
G101, G112 and G113
Figure 4:

G200


Object Number: 955988  Size: FS
Master Electrical Component List
G202
G102, G115 and G201
Power and Grounding Schematic Icons
Figure 5:

G202


Object Number: 955994  Size: FS
Master Electrical Component List
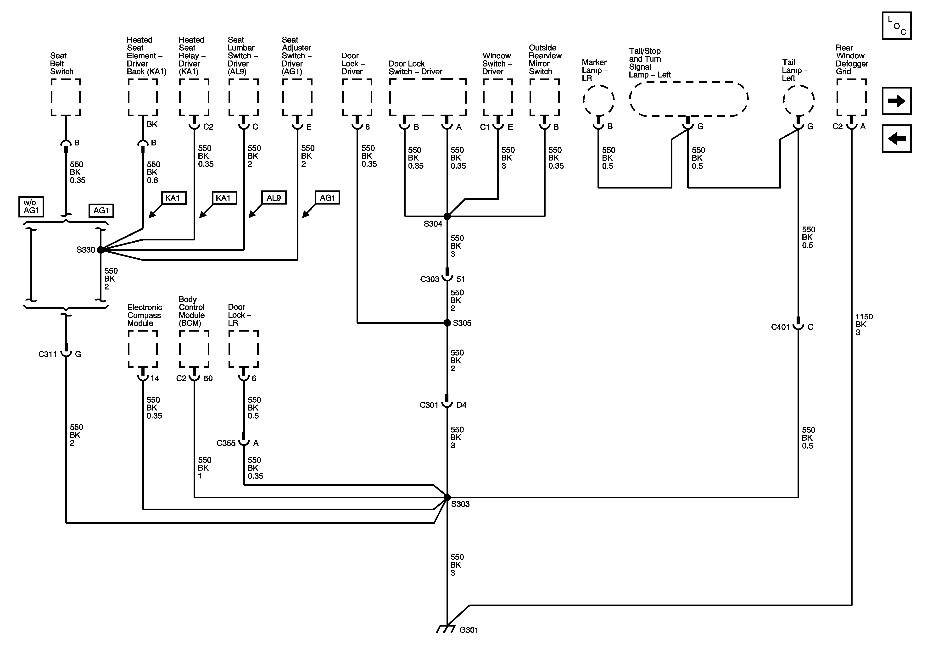
G301
G200
Figure 6:

G301


Object Number: 956002  Size: FS
Master Electrical Component List
G302
G202
Figure 7:

G302


Object Number: 956008  Size: FS
Master Electrical Component List
G301
Power and Grounding Schematic Icons