GM Service Manual Online
For 1990-2009 cars only
Makes
🢒
Pontiac
🢒
2004
🢒
Grand Prix
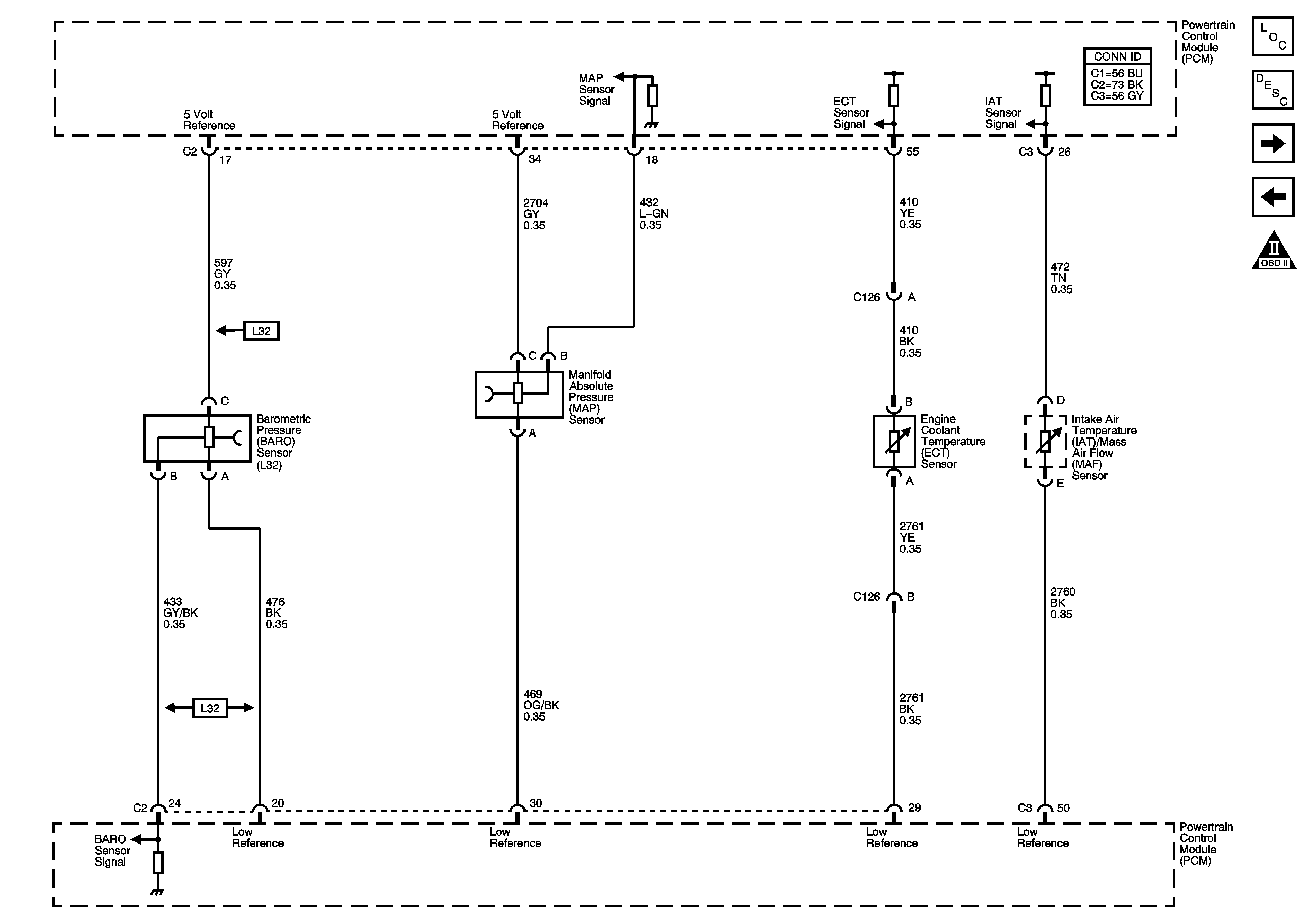
🢒 BARO, MAP, ECT, and IAT/MAF Sensors
BARO, MAP, ECT, and IAT/MAF Sensors
BARO, MAP, ECT, and IAT/MAF Sensors
Master Electrical Component List
Evaporative Emission Control System Description
IAT/MAF Sensor, Super Charger Boost Control Solenoid, and A/T Controls VSS References
5 Volt and Low Reference Bussing
Engine Controls Schematic Icons