GM Service Manual Online
For 1990-2009 cars only
Makes
🢒
Pontiac
🢒
2004
🢒
Grand Prix
🢒 Electronic Throttle Controls
Electronic Throttle Controls
Electronic Throttle Controls
Master Electrical Component List
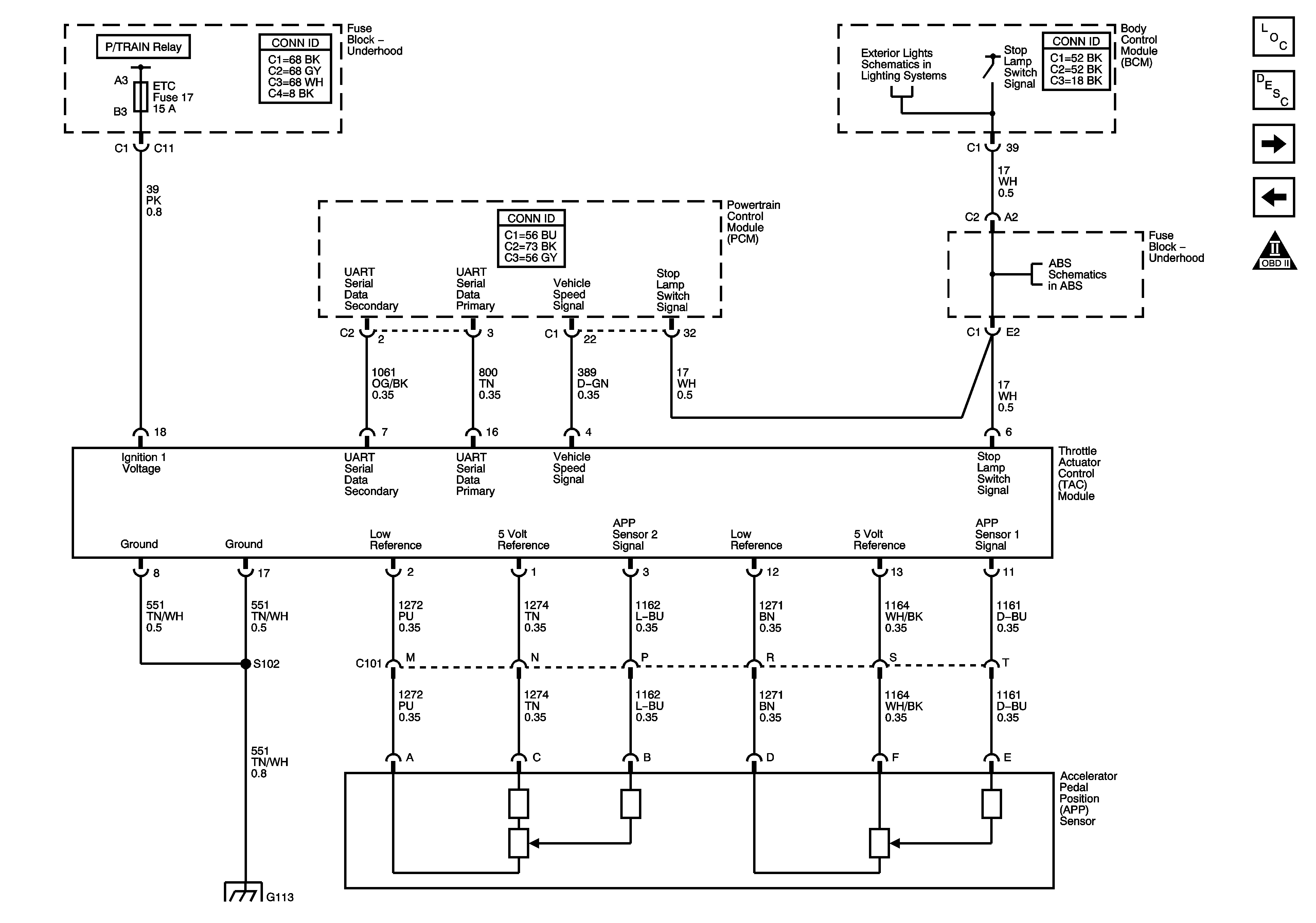
Throttle Actuator Control (TAC) System Description
Ignition control Module
Heated Oxygen Sensors
Engine Controls Schematic Icons
PCM Power, Ground, MIL, and Serial Data
Turn Signal, Hazard and Stop Lamps
ABS Indicators, Torque Signals, Steering andTraction Control
G101, G112 and G113