GM Service Manual Online
For 1990-2009 cars only
Makes
🢒
Pontiac
🢒
2004
🢒
Grand Prix
🢒 Overhead Lighting
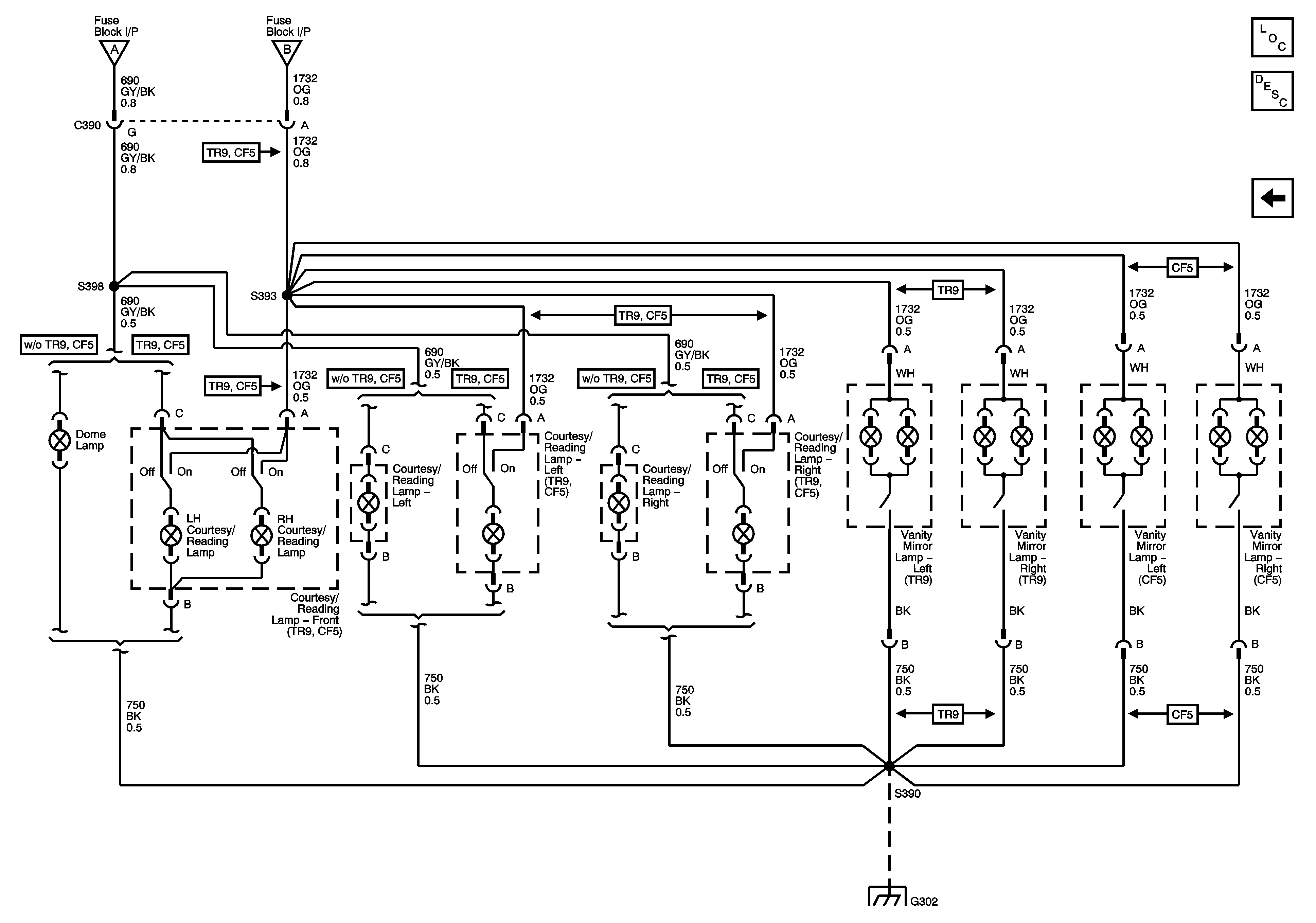
Overhead Lighting
Overhead Lighting
Master Electrical Component List
Interior Lighting Systems Description and Operation
Lamps
Lamps
Lamps
G302