GM Service Manual Online
For 1990-2009 cars only
Makes
🢒
Pontiac
🢒
2004
🢒
Grand Prix
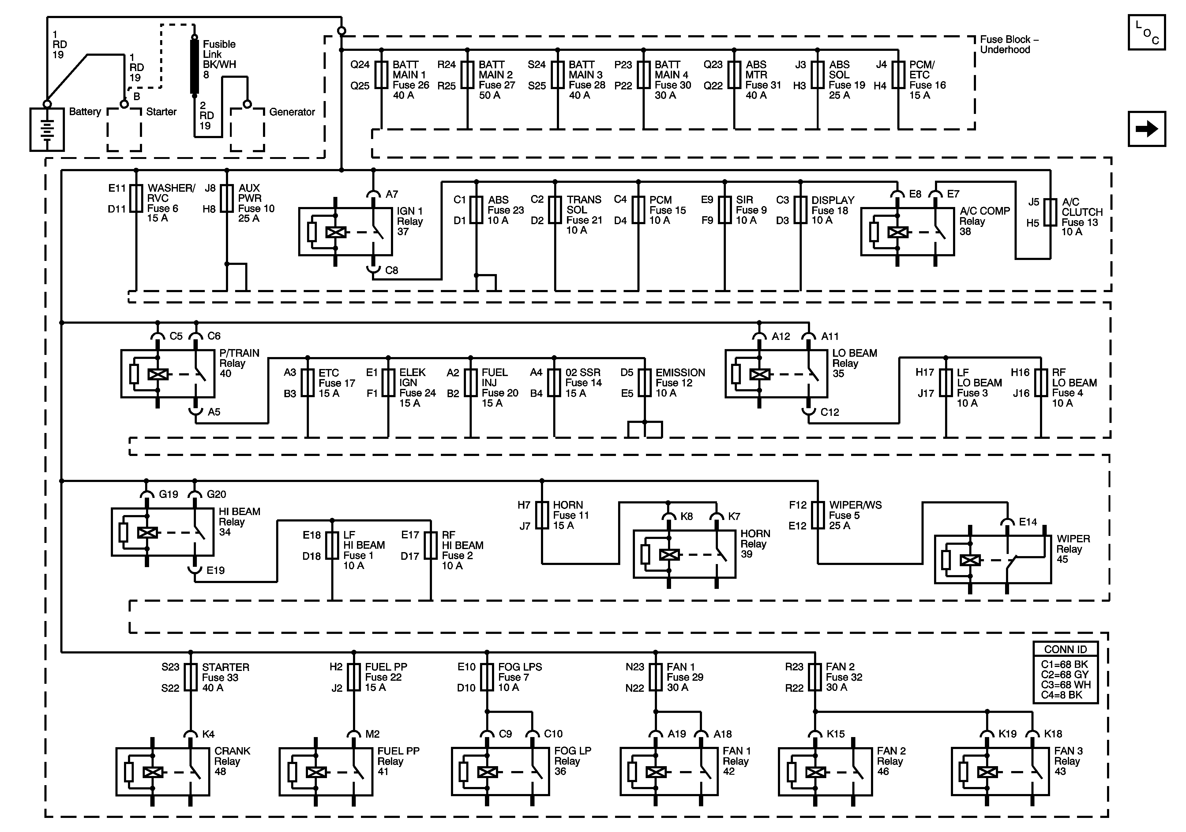
🢒 Fuse Block - Underhood Bussing
Fuse Block - Underhood Bussing
Fuse Block -- Underhood Bussing
Master Electrical Component List
Ignition Switch