GM Service Manual Online
For 1990-2009 cars only
Makes
🢒
Pontiac
🢒
2005
🢒
Grand Prix
🢒
Body
🢒
Wiring Systems
🢒 Shift Lock Control Schematics
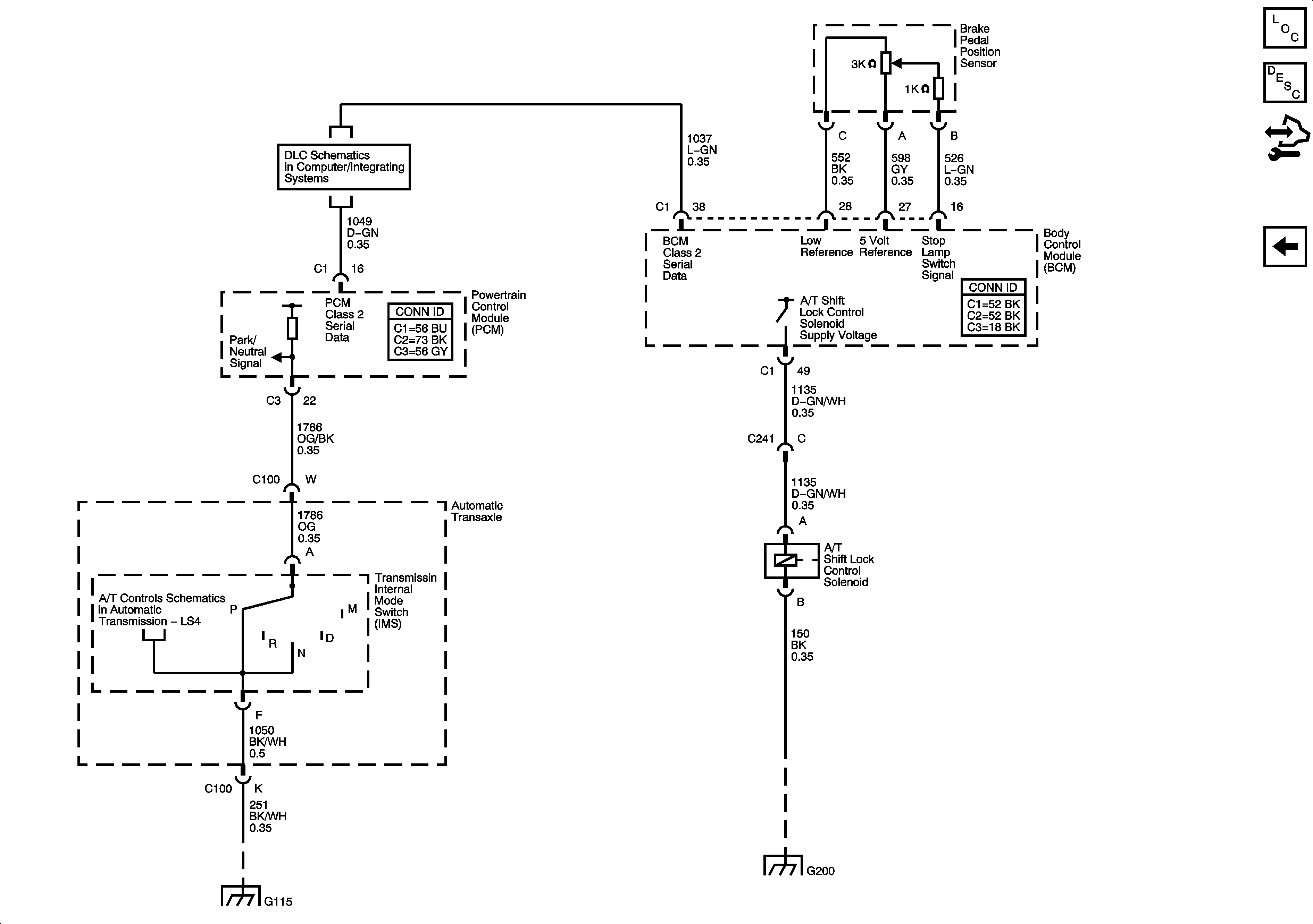
Figure
1:
L26, L32
Master Electrical Component List
Automatic Transmission Shift Lock Control Description and Operation (with 3.8L)
Control Module References
LS4
Data Link Communication
G101, G112 (L26/L32), and G113 (L26/L32)
G200
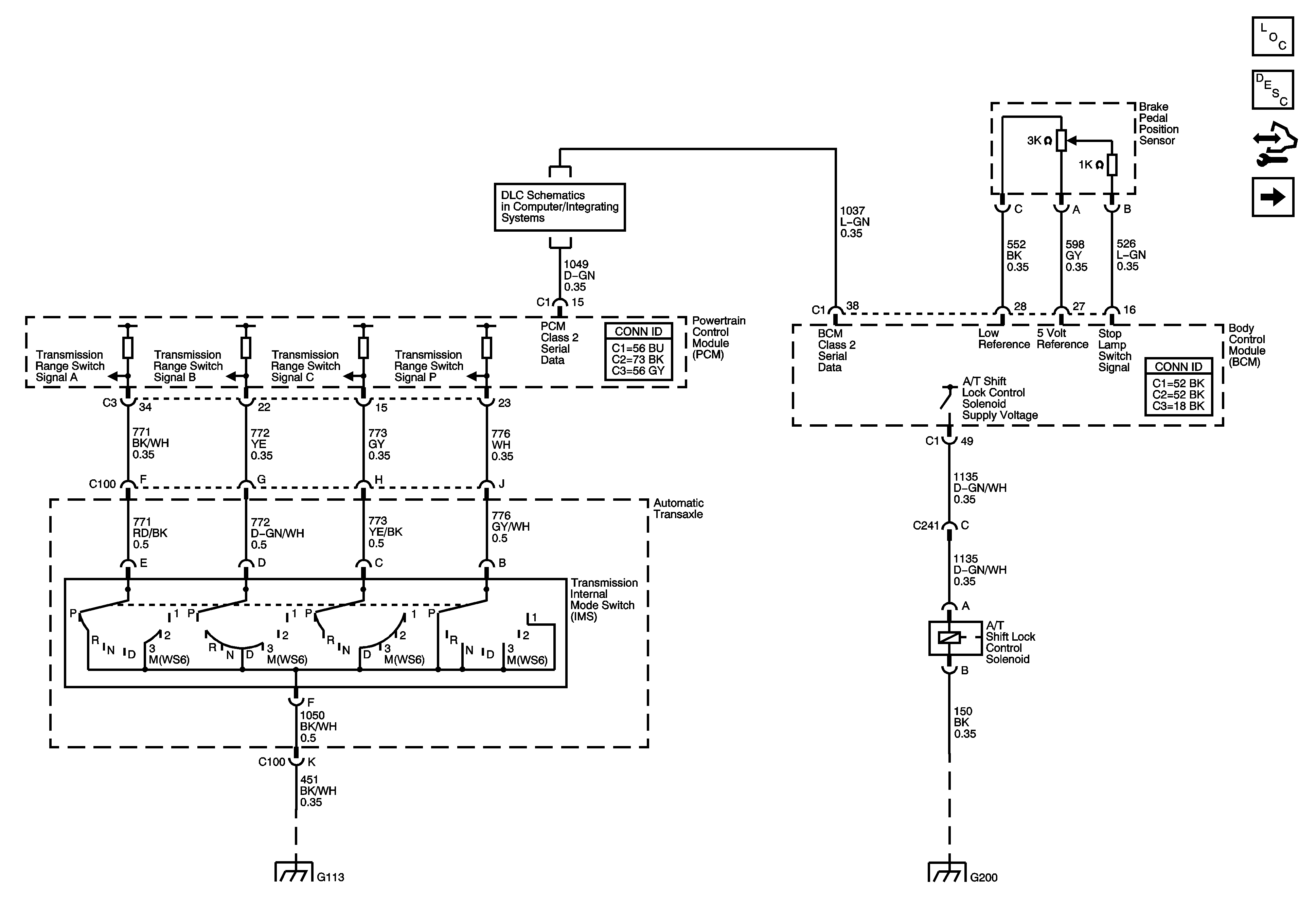
Figure
2:
LS4