GM Service Manual Online
For 1990-2009 cars only
Makes
🢒
Pontiac
🢒
2005
🢒
Grand Prix
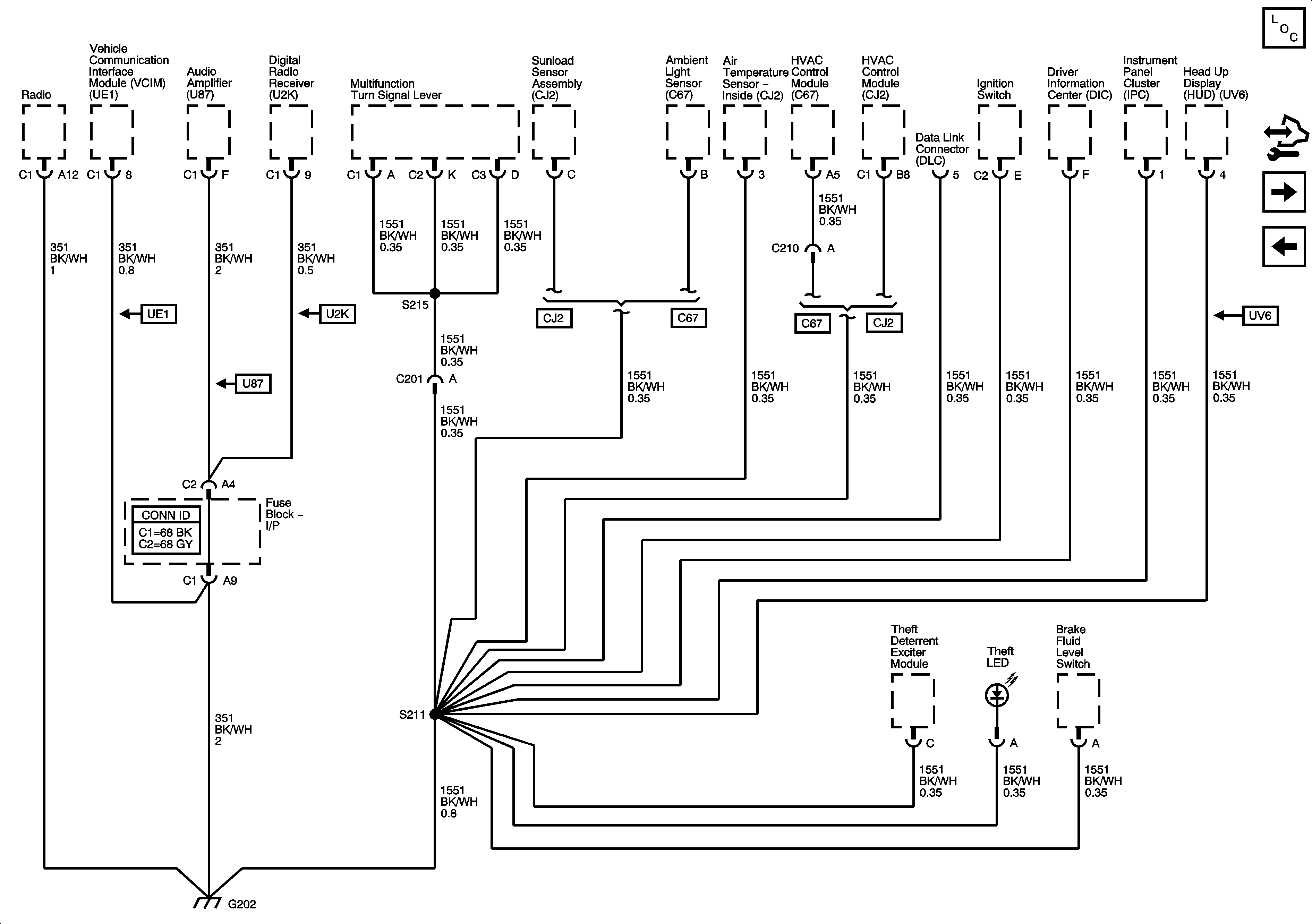
🢒 G202
G202
G202
Master Electrical Component List
Control Module References
G301
G200