GM Service Manual Online
For 1990-2009 cars only
Makes
🢒
Pontiac
🢒
2005
🢒
Grand Prix
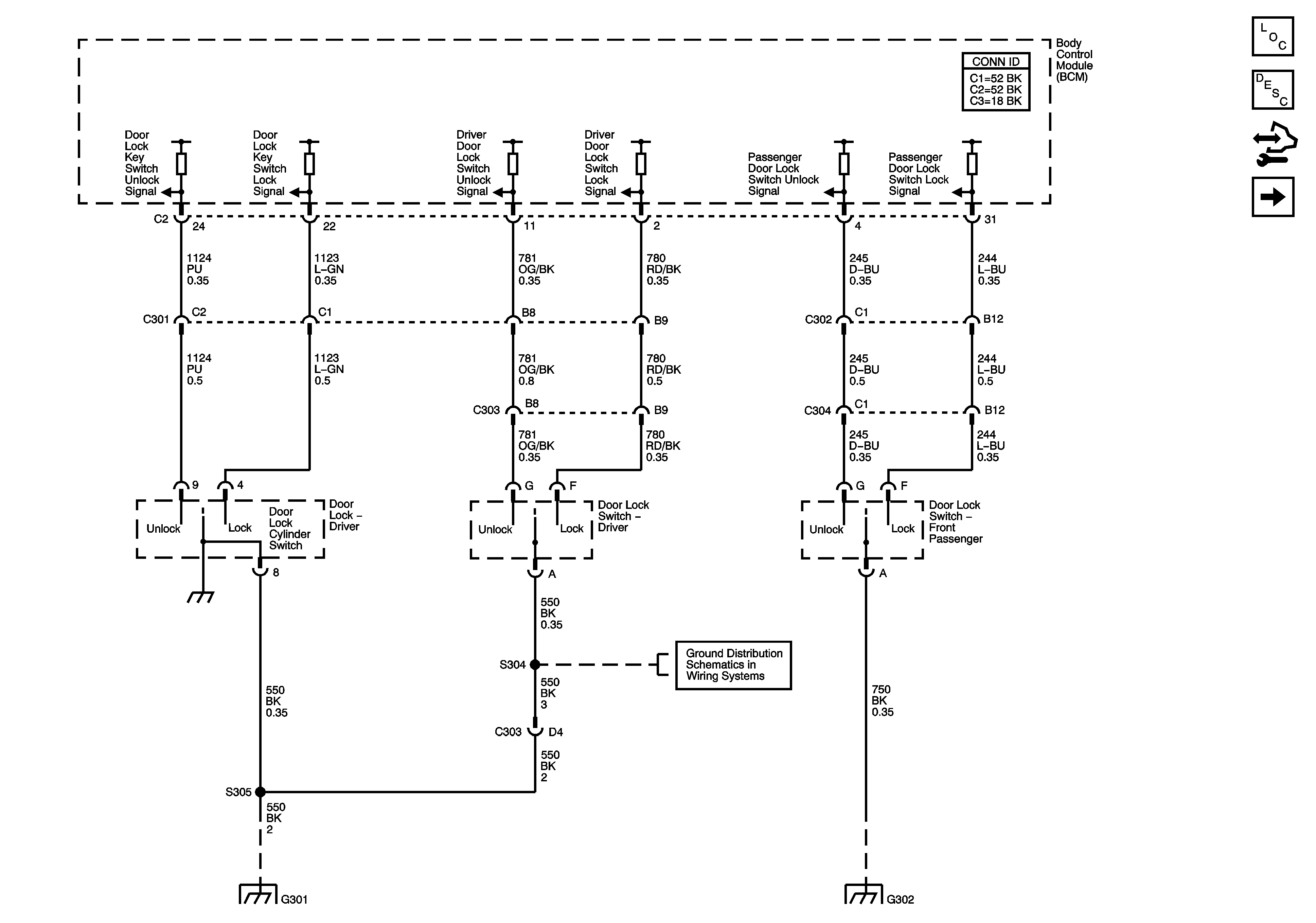
🢒 Door Lock Switches
Door Lock Switches
Door Lock Switches
Master Electrical Component List
Power Door Locks Description and Operation
Control Module References
Door Lock Actuators
G301
G301
G302