GM Service Manual Online
For 1990-2009 cars only
Makes
🢒
Pontiac
🢒
2005
🢒
Grand Prix
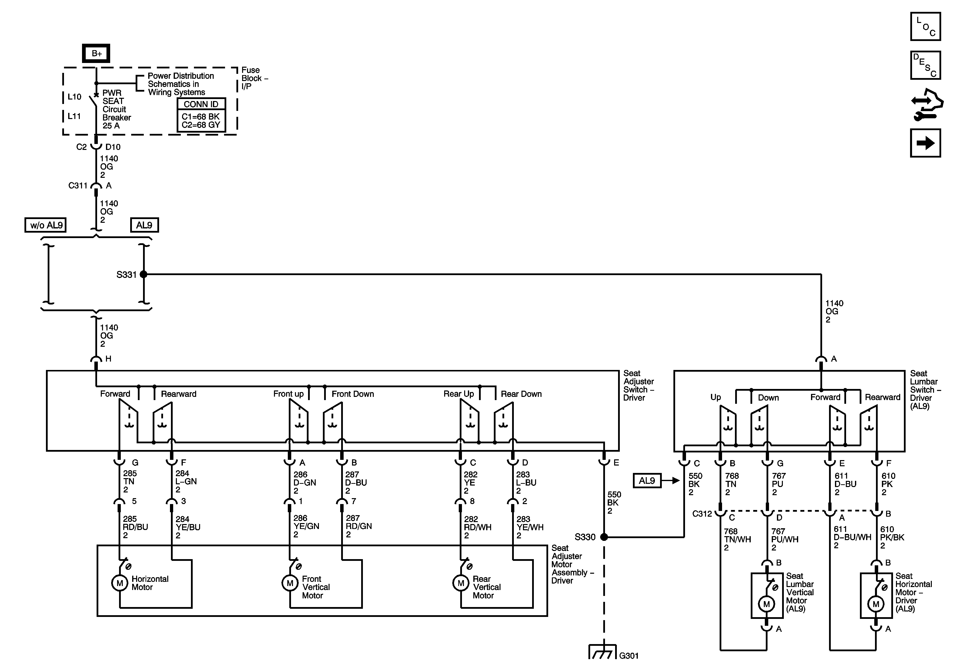
🢒 6-Way Power and Lumbar Controls
6-Way Power and Lumbar Controls
6-Way Power and Lumbar Controls
Master Electrical Component List
Power Seats System Description and Operation
Control Module References
Heat Controls - Driver
BATT MAIN 2, HDT SEAT, PWR MIRS, TURN/HAZ, DR LK/TRUN,, SUNROOF Fuses, PWR SEAT, PWR WDO Circuit Breakers, and RAP Relay
BATT MAIN 2, HDT SEAT, PWR MIRS, TURN/HAZ, DR LK/TRUN,, SUNROOF Fuses, PWR SEAT, PWR WDO Circuit Breakers, and RAP Relay
G301