GM Service Manual Online
For 1990-2009 cars only
Makes
🢒
Pontiac
🢒
2005
🢒
Grand Prix
🢒 Interior Lights Switches
Interior Lights Switches
Switches
Master Electrical Component List
Interior Lighting Systems Description and Operation
Control Module References
Lamps
BATT MAIN 1, PK LAMPS, DISPLAS, CHMSL/BKUP, INT LIGHT, RFA MOD, RADIO/AMP, ONSTAR/ALDL, HVAC, CANISTER Fuses and PKLP Relay
BATT MAIN 1, PK LAMPS, DISPLAS, CHMSL/BKUP, INT LIGHT, RFA MOD, RADIO/AMP, ONSTAR/ALDL, HVAC, CANISTER Fuses and PKLP Relay
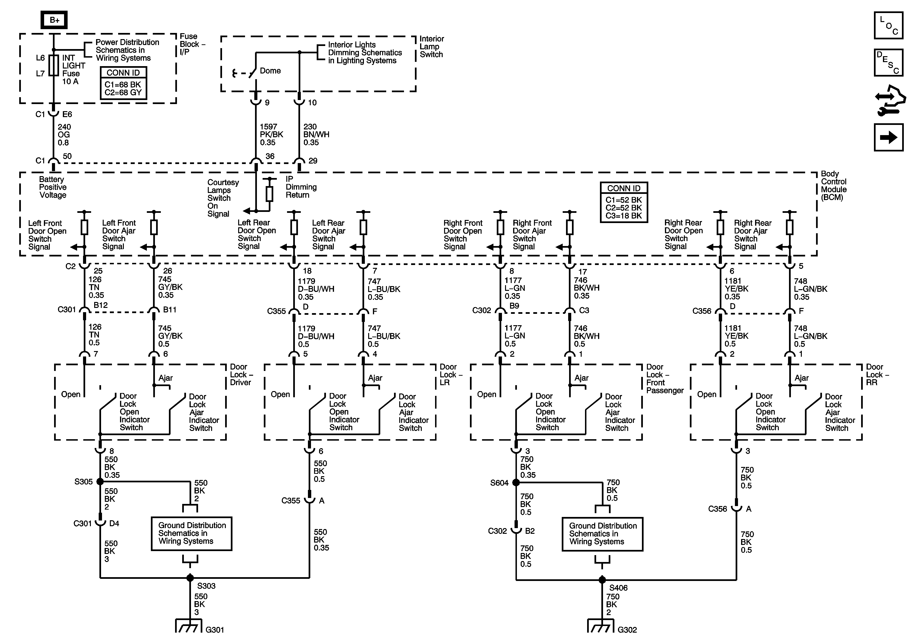
Interior Lamp Switch, I/P and Driver Door Lighting
G301
G302
G301
G302