GM Service Manual Online
For 1990-2009 cars only
Makes
🢒
Pontiac
🢒
2005
🢒
Grand Prix
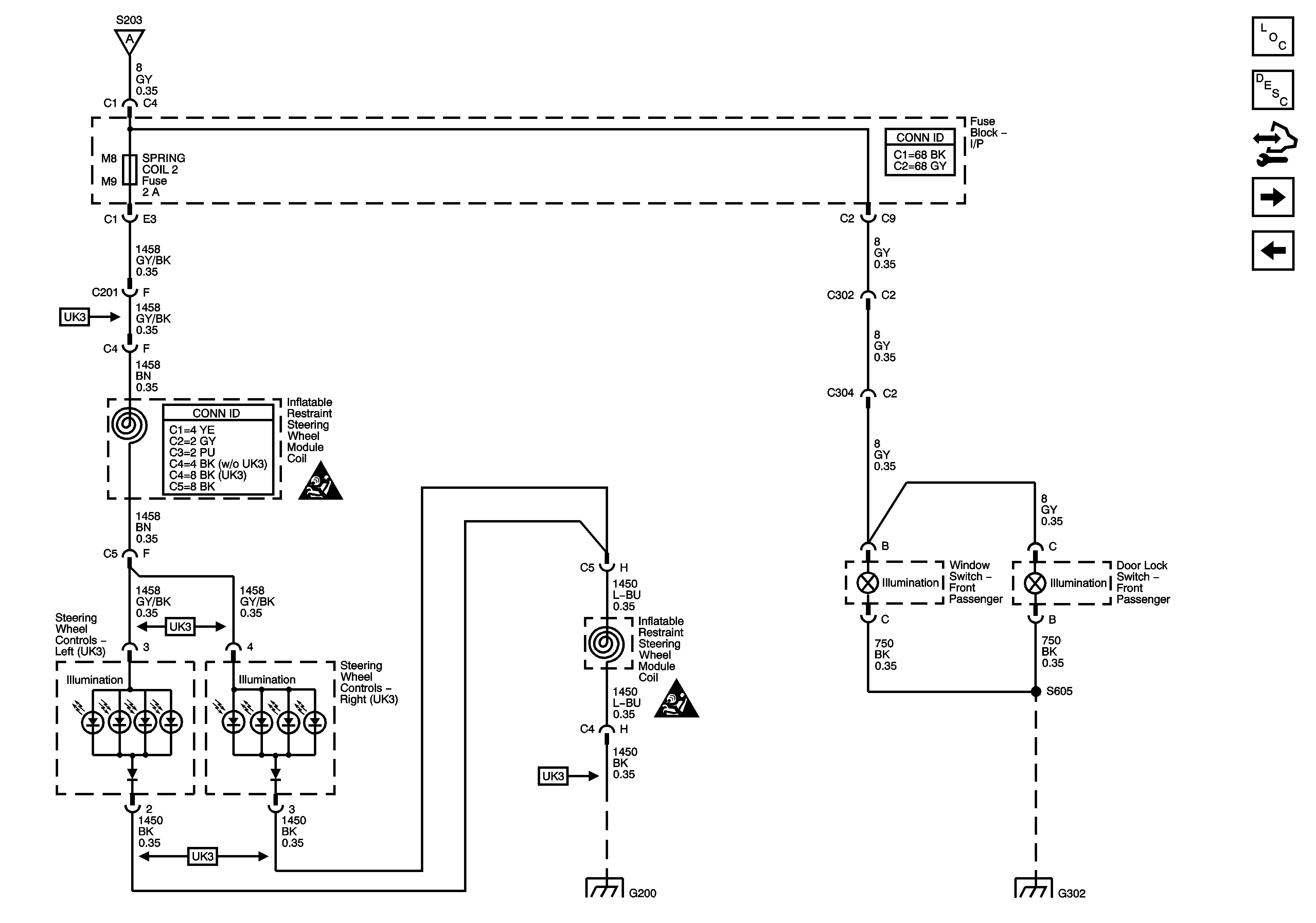
🢒 Steering Wheel and Front Passenger Door Lighting
Steering Wheel and Front Passenger Door Lighting
Steering Wheel and Front Passenger Door Lighting
Master Electrical Component List
Interior Lighting Systems Description and Operation
Control Module References
Class 2 Dimming
Interior Lamp Switch, I/P and Driver Door Lighting
Interior Lamp Switch, I/P and Driver Door Lighting
Lighting Systems Schematic Icons
Lighting Systems Schematic Icons
G200
G302