GM Service Manual Online
For 1990-2009 cars only
Makes
🢒
Pontiac
🢒
2005
🢒
Grand Prix
🢒 Fuse Block - Underhood Bussing
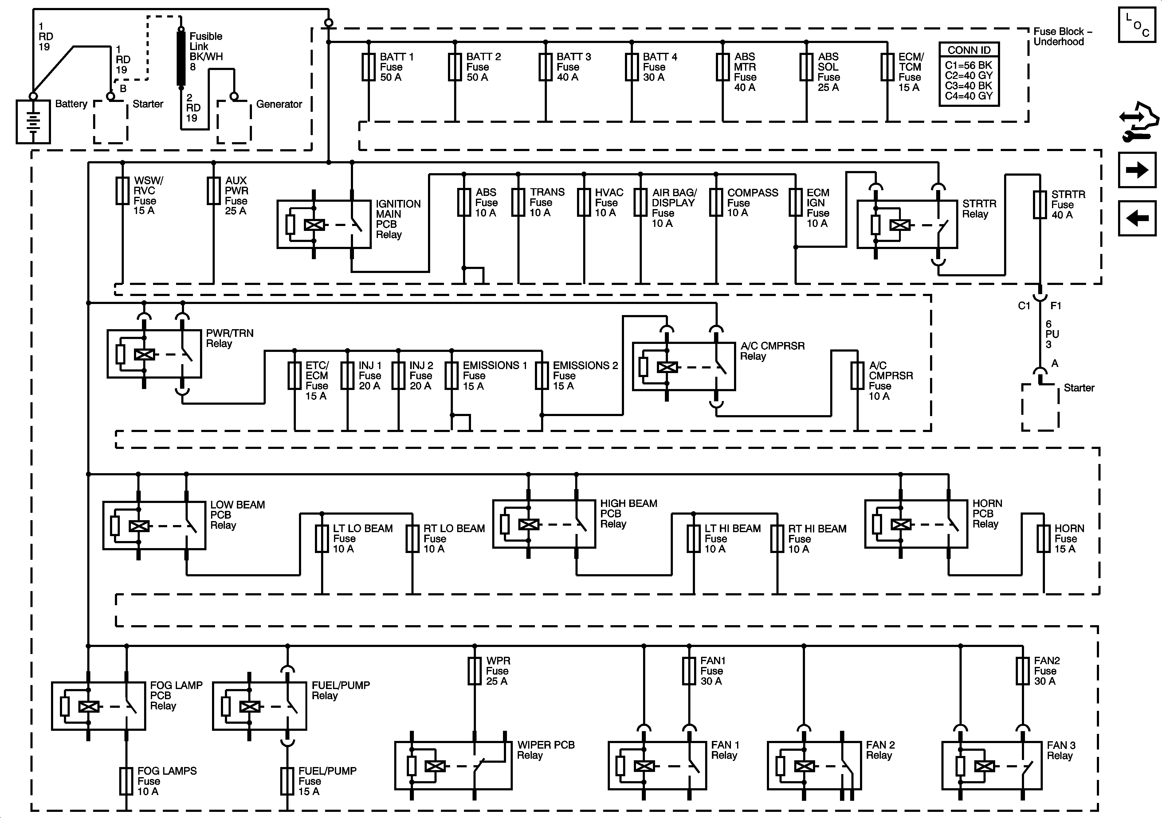
Fuse Block - Underhood Bussing
Fuse Block - Underhood Bussing (LS4)
Master Electrical Component List
Control Module References
Ignition Switch
Fuse Block Underhood Bussing