Oil Pump, Screen, and Crankshaft Oil Deflector Replacement First Design
Removal Procedure
- Remove the oil pan. Refer to
Oil Pan Replacement
.
- Remove the engine front cover. Refer to
Engine Front Cover Replacement
.
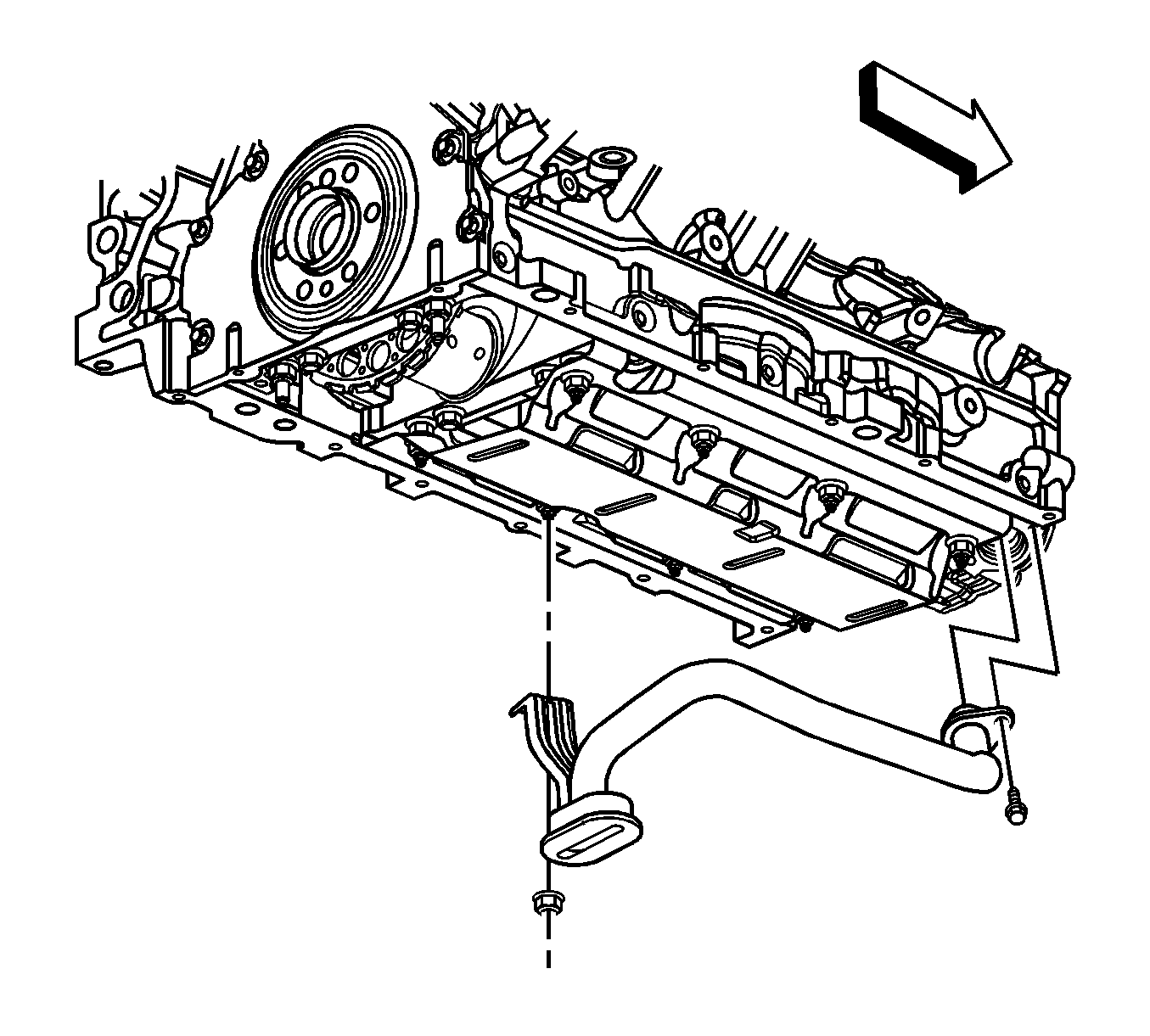
- Remove the oil pump screen bolt and nuts.
- Remove the oil pump screen with O-ring seal.
- Remove the O-ring seal from the pump screen.
- Discard the O-ring seal.
- Remove the remaining crankshaft oil deflector nuts.
- Remove the crankshaft oil deflector.
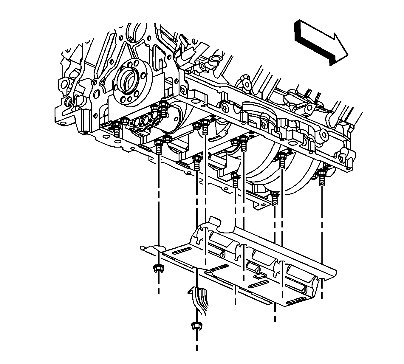
- Remove the oil pump bolts (411).
Important: Do not allow dirt or debris to enter the oil pump assembly, cap end as necessary.
- Remove the oil pump (413).
- Clean and inspect the oil pump. Refer to
Oil Pump Cleaning and Inspection
.
Installation Procedure
- Align the splined surfaces of the crankshaft sprocket and the oil pump drive gear and install the oil pump
(413).
- Install the oil pump onto the crankshaft sprocket until the pump housing contacts the face of the engine block.
Notice: Refer to Fastener Notice in the Preface section.
- Install the oil pump bolts (411).
Tighten
Tighten the bolts to 25 N·m (18 lb ft).
- Install the crankshaft oil deflector and nuts until snug.
- Lubricate a NEW oil pump screen O-ring seal with clean engine oil.
- Install the NEW O-ring seal onto the oil pump screen.
Important: Push the oil pump screen tube completely into the oil pump prior to tightening the bolt. Do not allow the bolt to pull the tube into the pump.
- Align the oil pump screen mounting brackets with the correct crankshaft bearing cap studs.
- Install the oil pump screen.
- Install the oil pump screen bolt and nuts.
Tighten
- Tighten the bolt to 12 N·m (106 lb in).
- Tighten the nuts to 25 N·m (18 lb ft).
- Install the engine front cover. Refer to
Engine Front Cover Replacement
.
- Install the oil pan. Refer to
Oil Pan Replacement
.