GM Service Manual Online
For 1990-2009 cars only
Makes
🢒
Pontiac
🢒
2006
🢒
Grand Prix
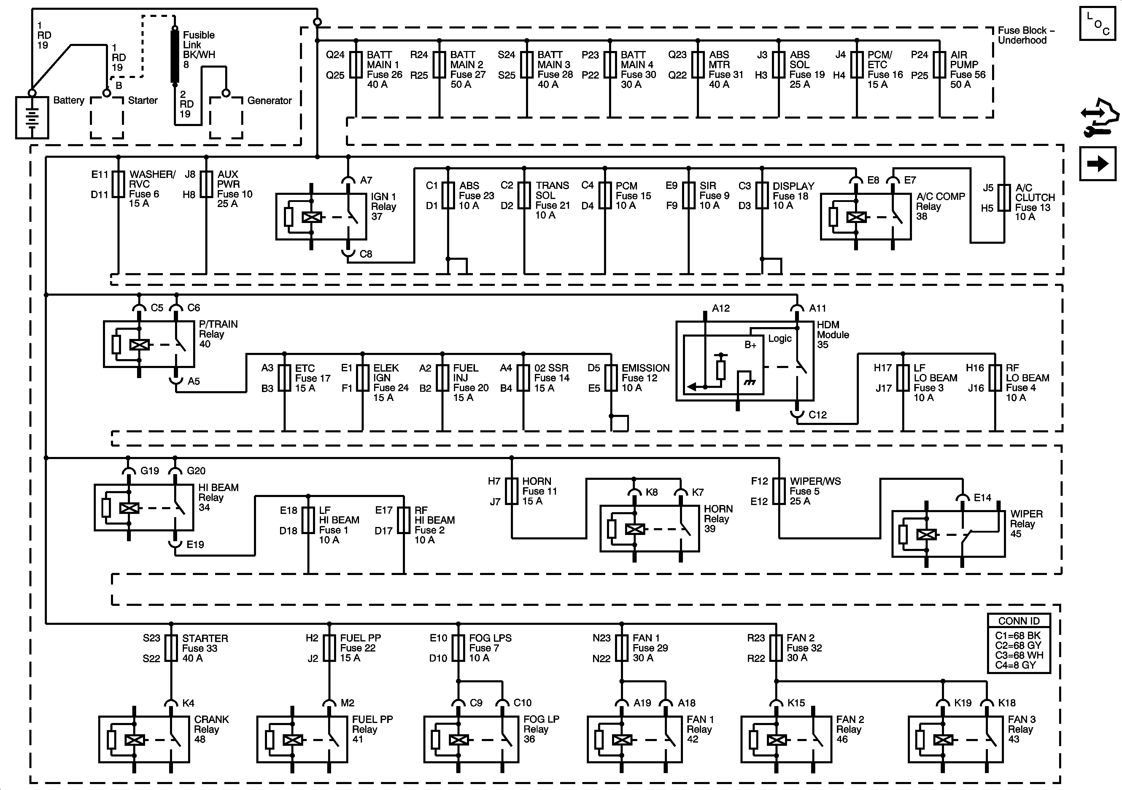
🢒 Fuse Block Underhood Bussing
Fuse Block Underhood Bussing
Fuse Block - Underhood Bussing (L26, L32)
Master Electrical Component List
Control Module References
Fuse Block - Underhood Bussing