GM Service Manual Online
For 1990-2009 cars only
Makes
🢒
Pontiac
🢒
2006
🢒
Grand Prix
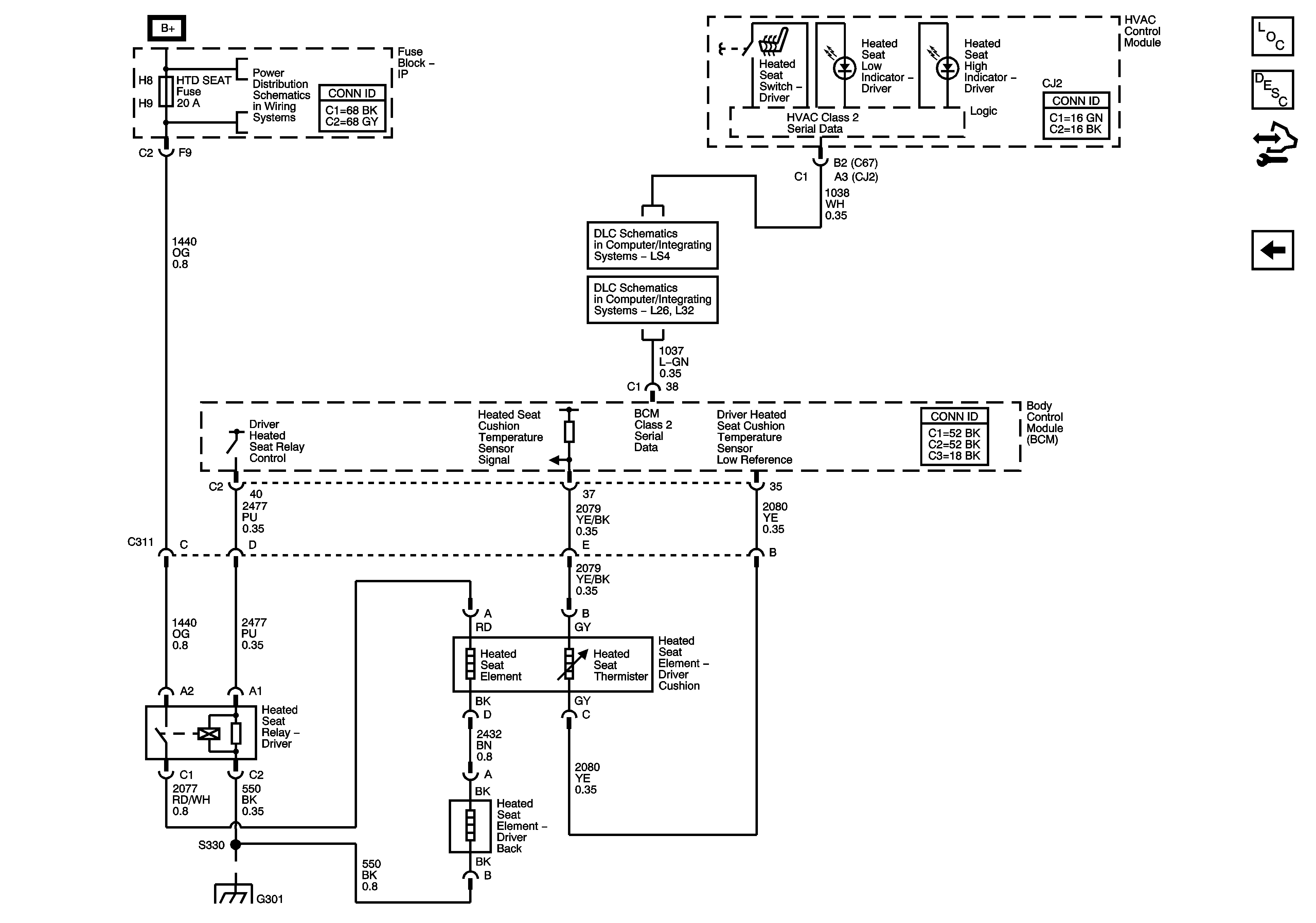
🢒 Heat Controls - Driver
Heat Controls - Driver
Heat Controls
Master Electrical Component List
Power Seats System Description and Operation
Control Module References
6-Way Power and Lumber Controls
BATT MAIN 2, HDT SEAT, PWR MIRS, TURN/HAZ, DR LK/TRUN, SUNROOF Fuses, PWR SEAT, PWR WDO Circuit Breakers, and RAP Relay
LS4
L26/L32
G301