GM Service Manual Online
For 1990-2009 cars only
Makes
🢒
Pontiac
🢒
2006
🢒
Grand Prix
🢒 Heat Controls
Heat Controls
Heat Controls
Master Electrical Component List
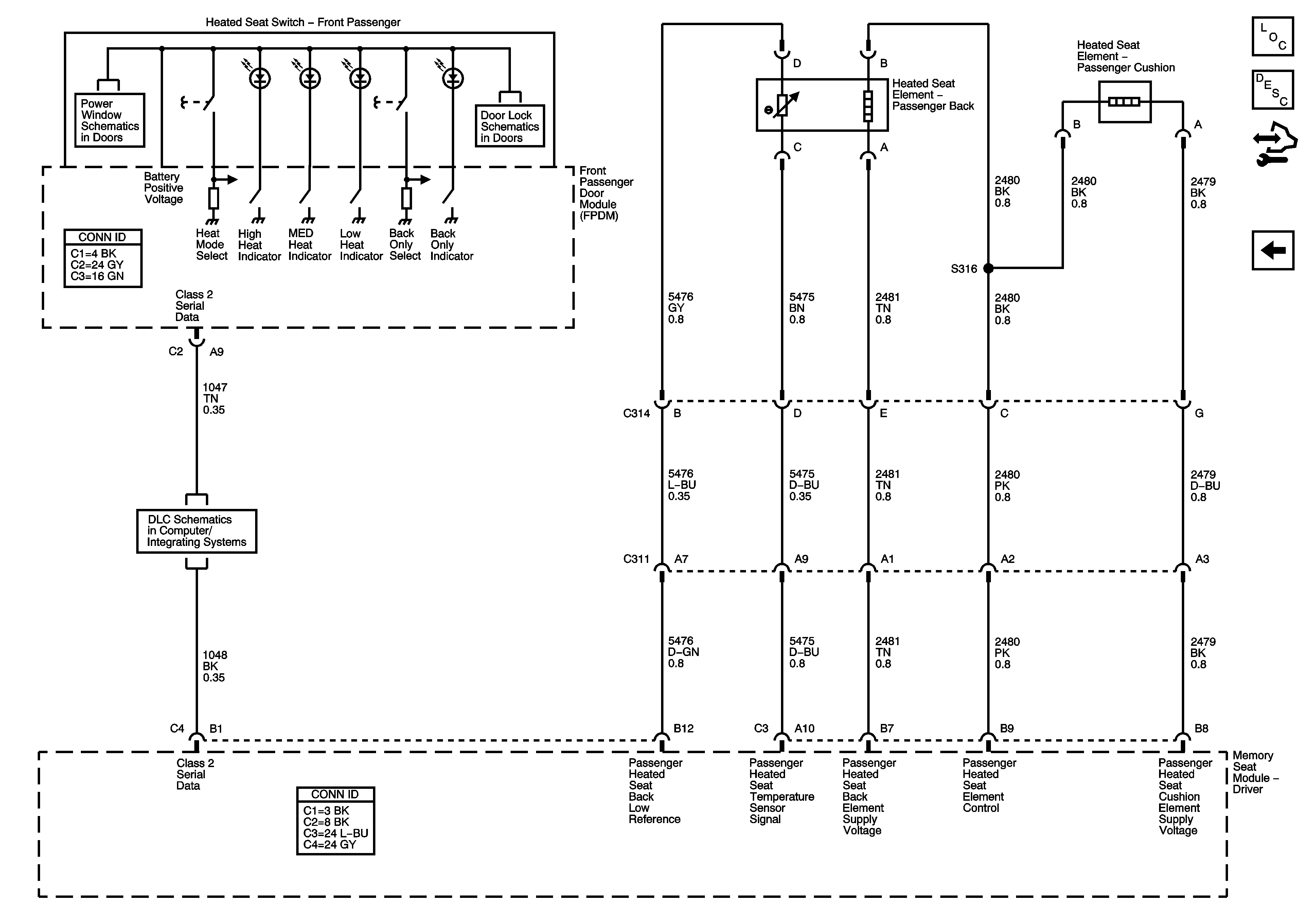
Heated Seats Description and Operation
Control Module References
Lumbar Controls
SP306