GM Service Manual Online
For 1990-2009 cars only

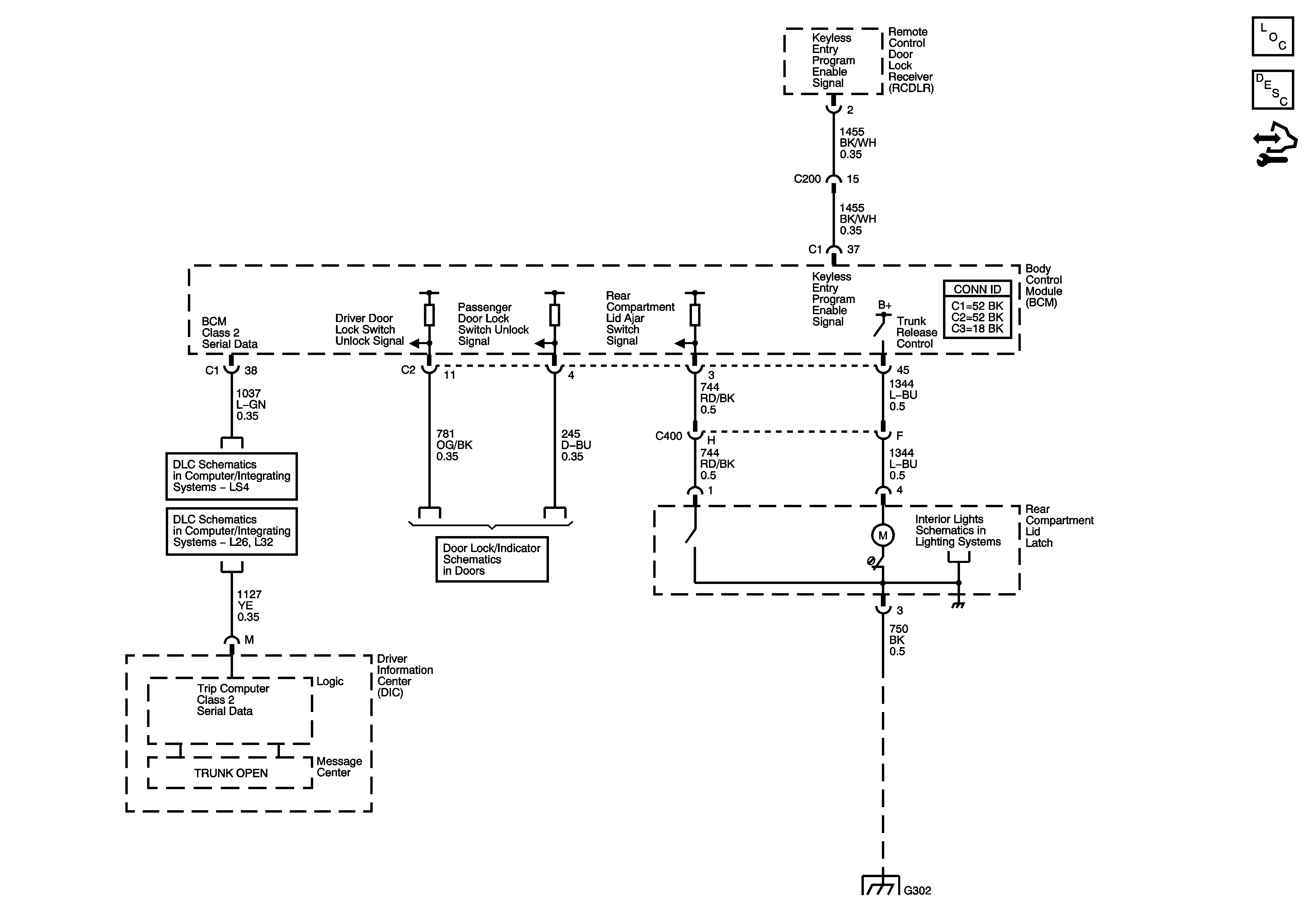
Body Rear End Schematics


Object Number: 1647690  Size: FS
Master Electrical Component List
Luggage Compartment Description and Operation
Control Module References
LS4
L26/L32
Door Lock Switches
G302