GM Service Manual Online
For 1990-2009 cars only
Makes
🢒
Pontiac
🢒
2006
🢒
Grand Prix
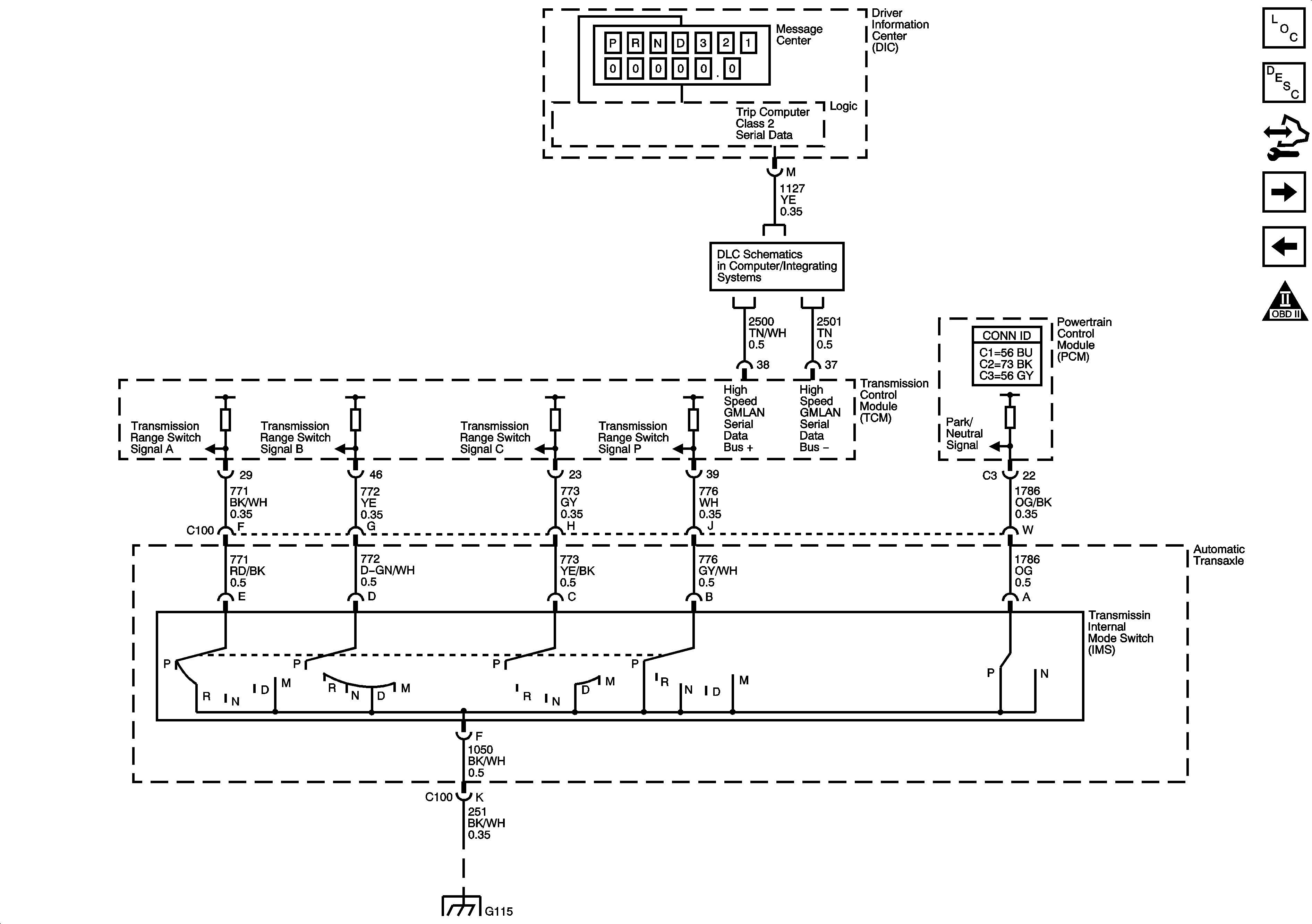
🢒 PRNDL, and IMS Switch
PRNDL, and IMS Switch
PRNDL, and IMS Switch
Master Electrical Component List
Transmission General Description
Control Module References
VSS and AT ISS Sensors, Pressure Control Solenoid Valve, and TCC Release Switch
Automatic Transmission Schematic Icons
G102, G112 and G201